204M-1/8K
Könyökidom - KK
Egyedi igények rögzítésére a rendelésösszesítő felületen van lehetőség
204M-1/8K
Könyökidom - KK
Kérjük regisztráljon a 3D modellek és termék adatlapok letöltéséhez.
| Termék | Csatlakozás |
|---|
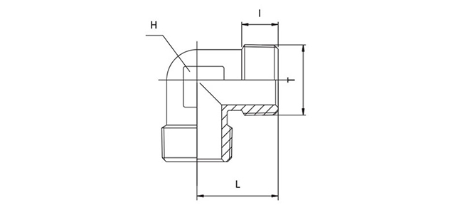
| Típusszám | T | I | L | H | g |
|---|---|---|---|---|---|
| 204M-1/8K | R 1/8" | 9 | 18,5 | 10 | 13 |
| 204M-1/4K | R 1/4" | 11,5 | 22 | 12 | 20 |
| 204M-3/8K | R 3/8" | 13 | 26 | 13 | 31 |
| 204M-1/2K | R 1/2" | 14 | 28,5 | 17 | 55 |
| 204M-3/4K | R 3/4" | 16 | 33 | 25 | 100 |
| 204M-1K | R 1" | 17 | 39 | 30 | 174 |
| Csatlakozás: | R 1/8" |
|---|---|
| Hőmérséklet tartomány: | -40°C…+120°C |
| Anyag: | nikkelezett réz |
| Kivitel: | menetes |
| Közeg: | sűrített levegő |
| Tömítés anyaga: | tömítés nélkül |
| Üzemi nyomás: | 0…50 bar |











