BR 311 243
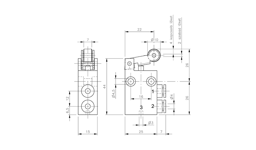
3/2-es görgőkaros szelep - pif 4mm
Egyedi igények rögzítésére a rendelésösszesítő felületen van lehetőség
BR 311 243
3/2-es görgőkaros szelep - pif 4mm
Kérjük regisztráljon a 3D modellek és termék adatlapok letöltéséhez.
| Termék | Csatlakozás | Helyzetstabilitás | Átáramlás (P1=6 bar, ΔP=1 bar) | Csatlakozások elhelyezkedése | Működtető erő | Üzemi nyomás |
|---|
| Vezérlés: | mechanikus működtetésű (végállás kapcsolók) |
|---|---|
| Funkció: | 3/2-es |
| Csatlakozás: | pif4 |
| Hőmérséklet tartomány: | -10°C…+50°C |
| Helyzetstabilitás: | monostabil |
| Átáramlás (P1=6 bar, ΔP=1 bar): | 115 l/perc |
| Csatlakozások elhelyezkedése: | egy oldalon |
| Közeg: | sűrített levegő |
| Működtető erő: | 9 N |
| Szelepház anyaga: | alumínium |
| Szelep változat: | különálló szelep |
| Üzemi nyomás: | -0,9...10 bar |











