MEH 531 181
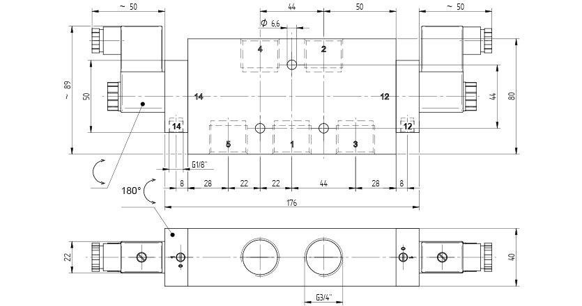
5/3-as elektromos vezérlésű, külső segédlevegős működtetésű szelep, középállásban zárt - G3/4"
Mágnes és az elektromos csatlakozó nem tartozék
Egyedi igények rögzítésére a rendelésösszesítő felületen van lehetőség
MEH 531 181
5/3-as elektromos vezérlésű, külső segédlevegős működtetésű szelep, középállásban zárt - G3/4"
Kérjük regisztráljon a 3D modellek és termék adatlapok letöltéséhez.
| Termék | Csatlakozás | Helyzetstabilitás | Átáramlás (P1=6 bar, ΔP=1 bar) | Teljesítményigény | Üzemi nyomás |
|---|
| Vezérlés: | elektromos/mágneses vezérlésű |
|---|---|
| Funkció: | 5/3-as |
| Csatlakozás: | G 3/4" |
| Hőmérséklet tartomány: | -10°C…+50°C |
| Helyzetstabilitás: | 3-állású zárt |
| Átáramlás (P1=6 bar, ΔP=1 bar): | 6000 l/perc |
| Csatlakozások elhelyezkedése: | szelep két oldalán/egymással szemben |
| Kapcsolási idő: | 50 ms | 6 bar, +20°C-on |
| Közeg: | sűrített levegő |
| Szelepház anyaga: | alumínium |
| Szelep változat: | különálló szelep |
| Teljesítményigény: | 3 W / 5 VA |
| Vezérlő csatlakozás: | G 1/8" |
| Vezérlő nyomás: | 3…10 bar |
| Üzemi nyomás: | 1…10 bar |











