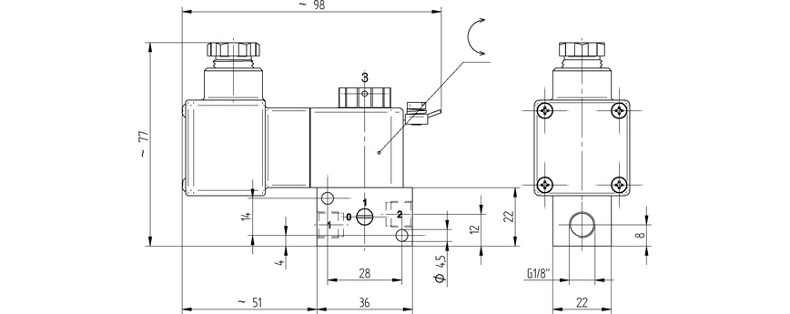
MH 311 015 EX DM
3/2-es elektromos, direkt vezérlésű szelep - alaphelyzetben zárt - G1/8" - ATEX
Mágnes és az elektromos csatlakozó nem tartozék
Egyedi igények rögzítésére a rendelésösszesítő felületen van lehetőség
MH 311 015 EX DM
3/2-es elektromos, direkt vezérlésű szelep - alaphelyzetben zárt - G1/8" - ATEX
Kérjük regisztráljon a 3D modellek és termék adatlapok letöltéséhez.
| Termék |
|---|
| Vezérlés: | elektromos/mágneses vezérlésű |
|---|---|
| Funkció: | 3/2-es |
| Csatlakozás: | G 1/8" |
| Hőmérséklet tartomány: | -10°C…+50°C |
| Helyzetstabilitás: | monostabil |
| Átáramlás (P1=6 bar, ΔP=1 bar): | 50 l/perc |
| ATEX zóna: | II 2 G Ex h IIC T6 Gb -10°C ≤Ta ≤ +50°C | II 2 D Ex h IIIC |
| Csatlakozások elhelyezkedése: | szelep két oldalán/egymással szemben |
| Kapcsolási idő: | 50 ms | 6 bar, +20°C-on |
| Kivitel: | rugó-, és légrugó-visszaállítással |
| Közeg: | sűrített levegő |
| Mágnes tokozás (ATEX esetén): | Ex dm |
| Névleges átmérő: | DN 1,2 |
| Szelepház anyaga: | alumínium |
| Szelep szélessége: | 22 mm |
| Szelep változat: | különálló szelep |
| Teljesítményigény: | 3 W/4,8 VA |
| Üzemi nyomás: | -0,9...10 bar |











