P 511 304
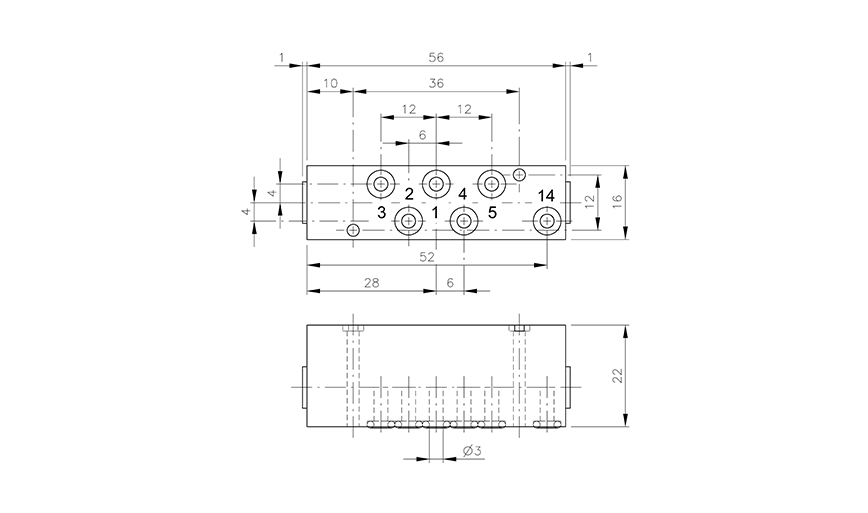
5/2-es pneumatikus vezérlésű alaplapos szelep, monostabil - DN3
Alaplap nem tartozék
Egyedi igények rögzítésére a rendelésösszesítő felületen van lehetőség
P 511 304
5/2-es pneumatikus vezérlésű alaplapos szelep, monostabil - DN3
Kérjük regisztráljon a 3D modellek és termék adatlapok letöltéséhez.
| Termék | Csatlakozás | Helyzetstabilitás | Átáramlás (P1=6 bar, ΔP=1 bar) | Vezérlő csatlakozás | Vezérlő nyomás | Üzemi nyomás |
|---|
| Vezérlés: | pneumatikus/levegővel vezérelt |
|---|---|
| Funkció: | 5/2-es |
| Csatlakozás: | alaplapon |
| Hőmérséklet tartomány: | -10°C…+50°C |
| Helyzetstabilitás: | monostabil |
| Átáramlás (P1=6 bar, ΔP=1 bar): | 280 l/perc |
| Csatlakozások elhelyezkedése: | egy oldalon |
| Kivitel: | rugó-, és légrugó-visszaállítással |
| Közeg: | sűrített levegő |
| Névleges átmérő: | DN 3 |
| Szelepház anyaga: | alumínium |
| Szelep változat: | alaplapra/szelepszigetre szerelhető szelep |
| Vezérlő csatlakozás: | alaplapon |
| Vezérlő nyomás: | 3…10 bar |
| Üzemi nyomás: | 2…10 bar |













