PN 511 121
5/2-es pneumatikus vezérlésű NAMUR szelep, monostabil - G1/2"
Egyedi igények rögzítésére a rendelésösszesítő felületen van lehetőség
PN 511 121
5/2-es pneumatikus vezérlésű NAMUR szelep, monostabil - G1/2"
Kérjük regisztráljon a 3D modellek és termék adatlapok letöltéséhez.
| Termék | Csatlakozás | Helyzetstabilitás | Átáramlás (P1=6 bar, ΔP=1 bar) | Vezérlő csatlakozás | Vezérlő nyomás | Üzemi nyomás |
|---|
| Vezérlés: | pneumatikus/levegővel vezérelt |
|---|---|
| Funkció: | 5/2-es |
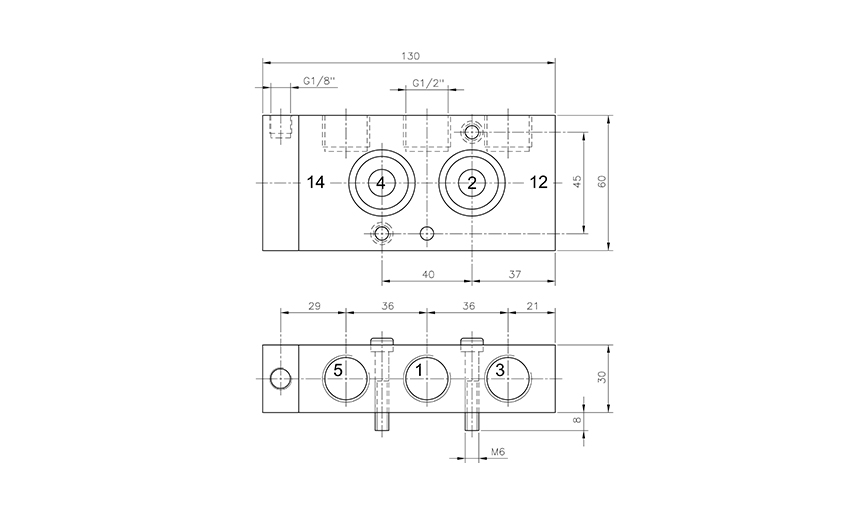
| Csatlakozás: | G 1/2" |
| Hőmérséklet tartomány: | -10°C…+50°C |
| Helyzetstabilitás: | monostabil |
| Átáramlás (P1=6 bar, ΔP=1 bar): | 3000 l/perc |
| Csatlakozások elhelyezkedése: | NAMUR felületen |
| Közeg: | sűrített levegő |
| Szelepház anyaga: | alumínium |
| Szelep változat: | különálló szelep |
| Vezérlő csatlakozás: | G 1/8" |
| Vezérlő nyomás: | 3…10 bar |
| Üzemi nyomás: | 3…10 bar |












