RD 308 464
Alaplap az M(O)D 310 404 szelepekhez - 8-helyes
Egyedi igények rögzítésére a rendelésösszesítő felületen van lehetőség
RD 308 464
Alaplap az M(O)D 310 404 szelepekhez - 8-helyes
Kérjük regisztráljon a 3D modellek és termék adatlapok letöltéséhez.
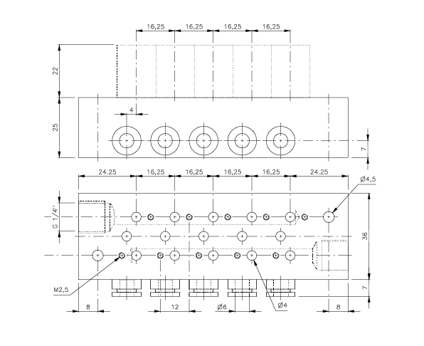
| Termék | Csatlakozás | Csatlakozás | 1 | Szelephelyek száma |
|---|
| Csatlakozás: | pif6 |
|---|---|
| Anyag: | alumínium |
| Csatlakozás | 1: | G 1/4" |
| Csatlakozás | 2: | Ø6 |
| Csatlakozás | 3: | G 1/4" |
| Szelephelyek száma: | 8 db |
| Szelep változat: | alaplap/alaplap modul |













