RL 20-25
Talp
Egyedi igények rögzítésére a rendelésösszesítő felületen van lehetőség
RL 20-25
Talp
Kérjük regisztráljon a 3D modellek és termék adatlapok letöltéséhez.
| Termék | Hengerátmérő |
|---|
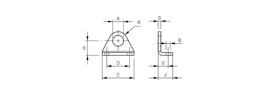
| Típusszám | Hengerátmérő | A | B | C | D | G | H | J | R | S |
|---|---|---|---|---|---|---|---|---|---|---|
| RL 8-10 | Ø 8 - 10 | 12 | 4,5 | 35 | 25 | 11 | 16 | 16 | 10 | 3 |
| RL 12-16 | Ø 12 - 16 | 16 | 5,5 | 42 | 32 | 14 | 20 | 20 | 13,5 | 4 |
| RL 20-25 | Ø 20 - 25 | 22 | 6,6 | 54 | 40 | 17 | 25 | 25 | 18 | 5 |
| Anyag: | acél |
|---|---|
| Hengerátmérő: | Ø20-25 |











