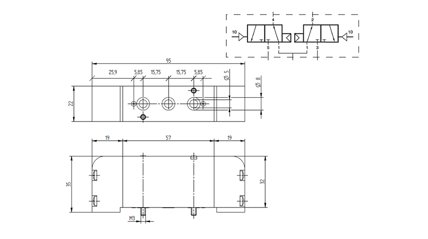
VTB 233 503
Dupla pneumatikus vezérlésű 3/2-es szelep - alaplapos - NO-NO - G 1/8"
Egyedi igények rögzítésére a rendelésösszesítő felületen van lehetőség
VTB 233 503
Dupla pneumatikus vezérlésű 3/2-es szelep - alaplapos - NO-NO - G 1/8"
Kérjük regisztráljon a 3D modellek és termék adatlapok letöltéséhez.
| Termék |
|---|











