VTB 520 503
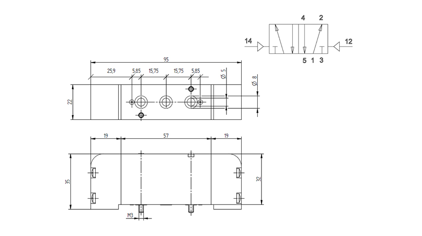
Pneumatikus vezérlésű 5/2-es bistabil szelep - alaplapos - G 1/8"
Egyedi igények rögzítésére a rendelésösszesítő felületen van lehetőség
VTB 520 503
Pneumatikus vezérlésű 5/2-es bistabil szelep - alaplapos - G 1/8"
Kérjük regisztráljon a 3D modellek és termék adatlapok letöltéséhez.












