A-55915-12-3/8
Sarok fojtó-visszacsapó szelep, bemenő levegő fojtva - szelepbe
Egyedi igények rögzítésére a rendelésösszesítő felületen van lehetőség
A-55915-12-3/8
Sarok fojtó-visszacsapó szelep, bemenő levegő fojtva - szelepbe
Kérjük regisztráljon a 3D modellek és termék adatlapok letöltéséhez.
| Termék | Csatlakozás | Csatlakozás | Csőméret | Átáramlás (P1=6 bar, ΔP=1 bar) | Üzemi nyomás |
|---|
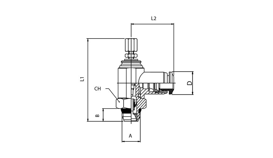
| Típusszám | Csőméret | Csatlakozás A | B | L1 | L2min | L2max | CH | D |
|---|---|---|---|---|---|---|---|---|
| A-55915-4-M5 | 4 | M 5 | 5,5 | 19,5 | 38,5 | 42,5 | 8 | 10 |
| A-55915-4-1/8 | 4 | G 1/8" | 5,5 | 21,5 | 44 | 49 | 14 | 10 |
| A-55915-5-M5 | 5 | M 5 | 5,5 | 20,5 | 38,5 | 42,5 | 8 | 12,5 |
| A-55915-5-1/8 | 5 | G 1/8" | 5,5 | 22,5 | 44 | 49 | 14 | 12,5 |
| A-55915-5-1/4 | 5 | G 1/4" | 7 | 25 | 48,5 | 55 | 17 | 12,5 |
| A-55915-6-M5 | 6 | M 5 | 5,5 | 21 | 38,5 | 42,5 | 8 | 12,5 |
| A-55915-6-1/8 | 6 | G 1/8" | 5,5 | 23 | 44 | 49 | 14 | 12,5 |
| A-55915-6-1/4 | 6 | G 1/4" | 7 | 25,5 | 48,5 | 55 | 17 | 12,5 |
| A-55915-8-1/8 | 8 | G 1/8" | 5,5 | 23,5 | 44 | 49 | 14 | 14 |
| A-55915-8-1/4 | 8 | G 1/4" | 7 | 26 | 48,5 | 55 | 17 | 14 |
| A-55915-8-3/8 | 8 | G 3/8" | 8,5 | 27,5 | 56 | 65 | 20 | 14 |
| A-55915-10-3/8 | 10 | G 3/8" | 8,5 | 30,5 | 56 | 65 | 20 | 17 |
| A-55915-12-3/8 | 12 | G 3/8" | 8,5 | 32,5 | 56 | 65 | 20 | 21,5 |
| A-55915-12-1/2 | 12 | G 1/2" | 10 | 35 | 62 | 69 | 24 | 21,5 |
| Csatlakozás: | G 3/8" |
|---|---|
| Hőmérséklet tartomány: | -20°C…+80°C |
| Csatlakozás | Csőméret: | Ø12 |
| Átáramlás (P1=6 bar, ΔP=1 bar): | max. 1050 l/perc |
| Kivitel: | menetes |
| Közeg: | sűrített levegő |
| Névleges nyomás: | 1…10 bar |
| Tömítés anyaga: | NBR |
| Üzemi nyomás: | 1…10 bar |














