HVR 520 121
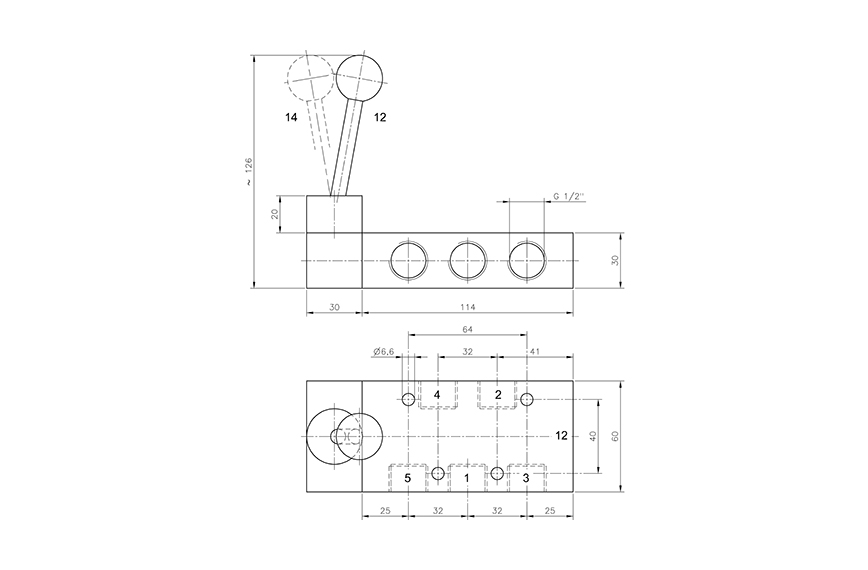
5/2-es kézi működtetésű szelep, bistabil - G1/2"
Egyedi igények rögzítésére a rendelésösszesítő felületen van lehetőség
HVR 520 121
5/2-es kézi működtetésű szelep, bistabil - G1/2"
Kérjük regisztráljon a 3D modellek és termék adatlapok letöltéséhez.
| Termék | Csatlakozás | Helyzetstabilitás | Átáramlás (P1=6 bar, ΔP=1 bar) | Működtető erő | Üzemi nyomás |
|---|
| Vezérlés: | kézi, karos működtetésű |
|---|---|
| Funkció: | 5/2-es |
| Csatlakozás: | G 1/2" |
| Hőmérséklet tartomány: | -10°C…+50°C |
| Helyzetstabilitás: | bistabil |
| Átáramlás (P1=6 bar, ΔP=1 bar): | 3000 l/perc |
| Csatlakozások elhelyezkedése: | szelep két oldalán/egymással szemben |
| Közeg: | sűrített levegő |
| Működtető erő: | 32 N |
| Szelepház anyaga: | alumínium |
| Szelep változat: | különálló szelep |
| Üzemi nyomás: | 1…10 bar |












