MH 310 701 G TT EX IA
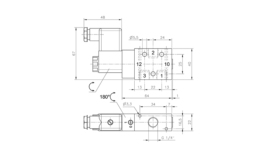
3/2-es elektromos vezérlésűszelep, G-széria, monostabil- alaphelyzetbenzárt - G1/4" - hidegálló - ATEX
Mágnes és az elektromos csatlakozó nem tartozék
Egyedi igények rögzítésére a rendelésösszesítő felületen van lehetőség
MH 310 701 G TT EX IA
3/2-es elektromos vezérlésűszelep, G-széria, monostabil- alaphelyzetbenzárt - G1/4" - hidegálló - ATEX
Kérjük regisztráljon a 3D modellek és termék adatlapok letöltéséhez.
| Termék |
|---|
| Vezérlés: | elektromos/mágneses vezérlésű |
|---|---|
| Funkció: | 3/2-es |
| Csatlakozás: | G 1/4" |
| Hőmérséklet tartomány: | -50...+50°C |
| Helyzetstabilitás: | monostabil |
| Átáramlás (P1=6 bar, ΔP=1 bar): | 1250 l/perc |
| ATEX zóna: | II 2 G Ex h IIC T6 Gb -10°C ≤Ta ≤ +50°C | II 2 D Ex h IIIC |
| Csatlakozások elhelyezkedése: | szelep két oldalán/egymással szemben |
| Kapcsolási idő: | 50 ms | 6 bar, +20°C-on |
| Kivitel: | légrugó-visszaállítással |
| Közeg: | sűrített levegő |
| Mágnes tokozás (ATEX esetén): | Ex ia |
| Szelepház anyaga: | alumínium |
| Szelep szélessége: | 22 mm |
| Szelep változat: | különálló és alaplapra is szerelhető (G-széria) szelep |
| Teljesítményigény: | 1,6 W |
| Üzemi nyomás: | 2…8 bar |












