260MO-12-1/4
Tömlőcsatlakozó, O-gyűrűvel
Egyedi igények rögzítésére a rendelésösszesítő felületen van lehetőség
260MO-12-1/4
Tömlőcsatlakozó, O-gyűrűvel
Kérjük regisztráljon a 3D modellek és termék adatlapok letöltéséhez.
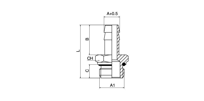
| Termék | Csatlakozás |
|---|
| Típusszám | Csatlakozás G | A | B | C | L | CH |
|---|---|---|---|---|---|---|
| 260MO-4,5-M5 | M 5 | 4,5 | 15 | 4 | 24 | 8 |
| 260MO-7-1/8 | G 1/8" | 7 | 20 | 6 | 31 | 13 |
| 260MO-7-1/4 | G 1/4" | 7 | 20 | 8 | 34,5 | 16 |
| 260MO-8-1/8 | G 1/8" | 8 | 20 | 6 | 31 | 13 |
| 260MO-8-1/4 | G 1/4" | 8 | 20 | 8 | 34,5 | 16 |
| 260MO-9-1/8 | G 1/8" | 9 | 20 | 6 | 31 | 13 |
| 260MO-9-1/4 | G 1/4" | 9 | 20 | 8 | 34,5 | 16 |
| 260MO-9-3/8 | G 3/8" | 9 | 20 | 9 | 35,5 | 19 |
| 260MO-10-1/2 | G 1/2" | 10 | 22 | 10 | 39,5 | 24 |
| 260MO-12-1/4 | G 1/4" | 12 | 20 | 8 | 34,5 | 16 |
| 260MO-12-3/8 | G 3/8" | 12 | 22 | 9 | 35,5 | 19 |
| 260MO-12-1/2 | G 1/2" | 12 | 22 | 10 | 39,5 | 24 |
| 260MO-17-3/8 | G 3/8" | 17 | 24 | 9 | 39,5 | 19 |
| 260MO-17-1/2 | G 1/2" | 17 | 24 | 10 | 41,5 | 24 |
| Csatlakozás: | G 1/4" |
|---|---|
| Hőmérséklet tartomány: | -40°C…+120°C |
| Anyag: | nikkelezett réz |
| Kivitel: | menetes |
| Közeg: | sűrített levegő |
| Névleges nyomás: | 0…50 bar |
| Tömítés anyaga: | NBR |
| Üzemi nyomás: | 0…50 bar |












