DC 80
Csapszeg biztosító gyűrűkkel
Egyedi igények rögzítésére a rendelésösszesítő felületen van lehetőség
DC 80
Csapszeg biztosító gyűrűkkel
Kérjük regisztráljon a 3D modellek és termék adatlapok letöltéséhez.
| Termék | Hengerátmérő |
|---|
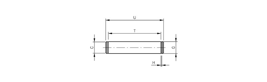
| Típusszám | Hengerátmérő | C | G | H | T | U |
|---|---|---|---|---|---|---|
| DC 32 | Ø 32 | 9,6 | 10 | 1,1 | 46 | 53 |
| DC 40 | Ø 40 | 11,5 | 12 | 1,1 | 53 | 60 |
| DC 50 | Ø 50 | 11,5 | 12 | 1,1 | 61 | 68 |
| DC 63 | Ø 63 | 15,2 | 16 | 1,1 | 71 | 78 |
| DC 80 | Ø 80 | 15,2 | 16 | 1,1 | 91 | 98 |
| DC 100 | Ø 100 | 19 | 20 | 1,3 | 111 | 118 |
| DC 125 | Ø 125 | 23,9 | 25 | 1,3 | 132 | 139 |
| Anyag: | acél |
|---|---|
| Hengerátmérő: | Ø80 |












