DIFD 80/50
ISO 15552 profil henger - dupla dugattyúrudas
Egyedi igények rögzítésére a rendelésösszesítő felületen van lehetőség
DIFD 80/50
ISO 15552 profil henger - dupla dugattyúrudas
Kérjük regisztráljon a 3D modellek és termék adatlapok letöltéséhez.
| Termék | Átmérő | Lökethossz | Csatlakozás | Dugattyúrúd menet | Tömítés anyaga |
|---|
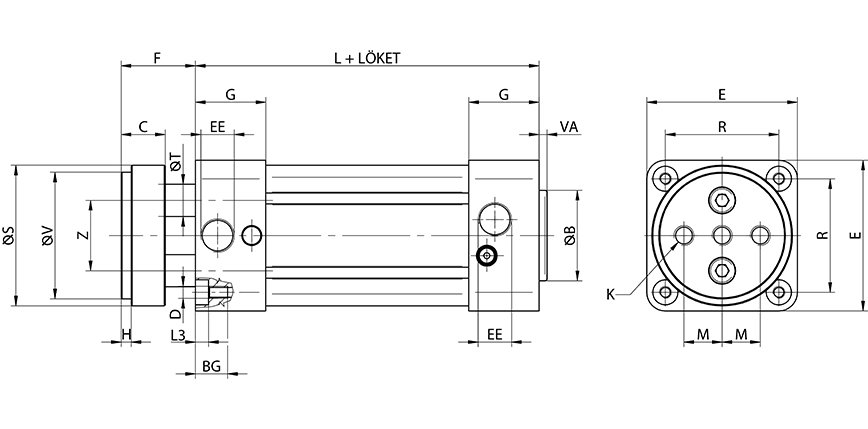
| Típusszám | Ø [mm] | B | F | E | H | C | K | M | S | T | V | Z | VA | L | BG | D | R | EE | L3 |
|---|---|---|---|---|---|---|---|---|---|---|---|---|---|---|---|---|---|---|---|
| DIFD 32/... | Ø 32 | Ø 30 | 26 | 47 | 4 | 15 | M 6 | 9,5 | Ø 35 | Ø 8 | Ø 32 | 18 | 4 | 94 | 16 | M 6 | 32,5 | G 1/8" | 5 |
| DIFD 40/... | Ø 40 | Ø 35 | 30 | 53 | 4 | 15 | M 8 | 11,25 | Ø 45 | Ø 10 | Ø 40 | 22 | 4 | 105 | 16 | M 6 | 38 | G 1/4" | 5 |
| DIFD 50/... | Ø 50 | Ø 40 | 37 | 65 | 5 | 18 | M 8 | 15 | Ø 55 | Ø 12 | Ø 50 | 26 | 4 | 106 | 16 | M 8 | 46,5 | G 1/4" | 5 |
| DIFD 63/... | Ø 63 | Ø 45 | 37 | 75 | 5 | 22 | M 10 | 19 | Ø 70 | Ø 16 | Ø 63 | 35 | 4 | 121 | 16 | M 8 | 56,5 | G 3/8" | 5 |
| DIFD 80/... | Ø 80 | Ø 45 | 46 | 95 | 5 | 22 | M 12 | 25 | Ø 85 | Ø 20 | Ø 80 | 40 | 4 | 128 | 17 | M 10 | 72 | G 3/8" | 6,5 |
| DIFD 100/... | Ø 100 | Ø 55 | 51 | 115 | 5 | 22 | M 12 | 35 | Ø 105 | Ø 20 | Ø 100 | 50 | 4 | 138 | 17 | M 10 | 89 | G 1/2" | 6,5 |
| Funkció: | kettős működésű |
|---|---|
| Átmérő: | Ø80 |
| Lökethossz: | 50 mm |
| Csatlakozás: | G 3/8" |
| Hőmérséklet tartomány: | -20°C…+80°C |
| Dugattyúrúd anyaga: | keménykrómozott acél (CK45) |
| Dugattyú: | mágneses |
| Dugattyú anyaga: | alumínium |
| Dugattyúrúd menet: | elfordulás ellen védett |
| Hengerfedelek anyaga: | présöntött alumínium |
| Hengertest anyaga: | eloxált alumínium |
| ISO szabvány: | ISO 15552 (korábban ISO 6431) |
| Közeg: | sűrített levegő |
| Löketvég csillapítás: | állítható |
| Nyomóerő (6 bar): | 2864 N |
| Tömítés anyaga: | NBR, PU (max. 80°C) |
| Vezetőpersely anyaga: | szinterbronz |
| Üzemi nyomás: | 1…10 bar |












