SEJ 40/10 BSZ
Szorító henger
Egyedi igények rögzítésére a rendelésösszesítő felületen van lehetőség
SEJ 40/10 BSZ
Szorító henger
Kérjük regisztráljon a 3D modellek és termék adatlapok letöltéséhez.
| Termék | Átmérő | Lökethossz | Csatlakozás | Dugattyúrúd menet | Dugattyúrúd átmérő | Tömítés anyaga |
|---|
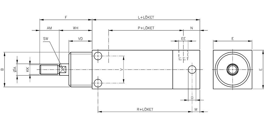
| Típusszám | Ø [mm] | A | B | D | E | F | L | M | N | P | R | V | AM | EE | KK | SW | VD | WH |
|---|---|---|---|---|---|---|---|---|---|---|---|---|---|---|---|---|---|---|
| SEJ 20/... | Ø 20 | 10 | M 26 x 1,5 | - | 30 | 40 | 50 | 6 | 15 | 26 | - | - | 14 | G 1/8" | M 8 | 9 | 20 | 26 |
| SEJ 30/... | Ø 30 | 12 | M 36 x 2 | 7 | 40 | 54 | 61 | 8 | 17 | 27 | 47 | 28 | 20 | G 1/8" | M 10 | 10 | 24 | 34 |
| SEJ 40/... | Ø 40 | 12 | M 36 x 2 | 7 | 50 | 61,5 | 68,5 | 10 | 20,5 | 30 | 52 | 38 | 20 | G 1/8" | M 10 | 10 | 30 | 41,5 |
| Funkció: | egyszeres |
|---|---|
| Átmérő: | Ø40 |
| Lökethossz: | 10 mm |
| Csatlakozás: | G 1/8" |
| Hőmérséklet tartomány: | -20°C…+80°C |
| Dugattyúrúd anyaga: | keménykrómozott acél (CK45) |
| Dugattyú anyaga: | alumínium |
| Dugattyúrúd menet: | M10 - külső menet |
| Dugattyúrúd átmérő: | Ø12 mm |
| Hengerfedelek anyaga: | eloxált alumínium |
| Hengertest anyaga: | eloxált alumínium |
| Közeg: | sűrített levegő |
| Tömítés anyaga: | NBR |
| Vezetőpersely anyaga: | műanyag - Iglidur D |
| Üzemi nyomás: | 0,2…10 bar |













