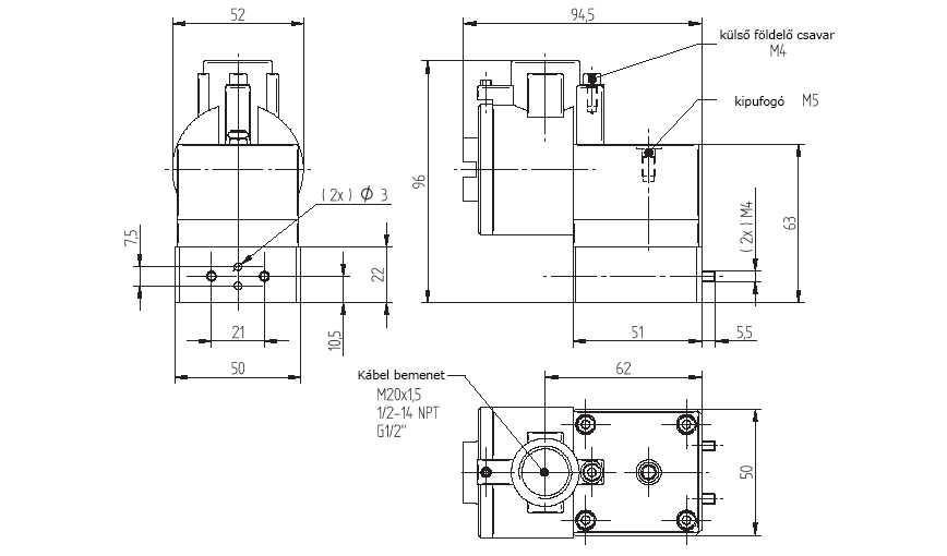
MH 52 VES 110AC EXD M
Elővezérlőszelep 3/2 NC 110 AC (-40°C...+50°C) - INOX - ATEX
Egyedi igények rögzítésére a rendelésösszesítő felületen van lehetőség
MH 52 VES 110AC EXD M
Elővezérlőszelep 3/2 NC 110 AC (-40°C...+50°C) - INOX - ATEX
Kérjük regisztráljon a 3D modellek és termék adatlapok letöltéséhez.
| Termék |
|---|
| Kapcsolási idő: | 50 ms | 6 bar, +20°C-on |
|---|---|
| Mágnes tokozás (ATEX esetén): | Ex dm |
| Szelepház anyaga: | rozsdamentes acél |
| Szelep szélessége: | 22 mm |




