MNH 533 701 EX IA
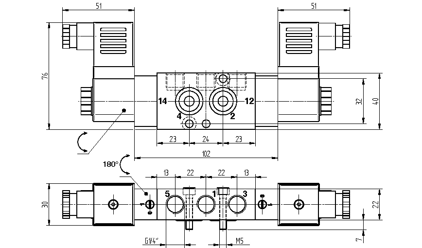
5/3-as elektromos vezérlésű NAMUR szelep, középállásban nyitott - G1/4" - ATEX
Egyedi igények rögzítésére a rendelésösszesítő felületen van lehetőség
MNH 533 701 EX IA
5/3-as elektromos vezérlésű NAMUR szelep, középállásban nyitott - G1/4" - ATEX
Kérjük regisztráljon a 3D modellek és termék adatlapok letöltéséhez.
| Termék |
|---|
| Vezérlés: | elektromos/mágneses vezérlésű |
|---|---|
| Funkció: | 5/3-as |
| Csatlakozás: | G 1/4" |
| Hőmérséklet tartomány: | -10°C…+50°C |
| Helyzetstabilitás: | 3-állású nyitott |
| Átáramlás (P1=6 bar, ΔP=1 bar): | 1250 l/perc |
| Kapcsolási idő: | 50 ms | 6 bar, +20°C-on |
| Közeg: | sűrített levegő |
| Mágnes tokozás (ATEX esetén): | Ex ia |
| Szelepház anyaga: | alumínium |
| Szelep szélessége: | 22 mm |
| Szelep változat: | különálló szelep |
| Üzemi nyomás: | 2…10 bar |




