BD 80/25
Rövidlöketű kompakt henger - kitolt dugattyúrúddal
Egyedi igények rögzítésére a rendelésösszesítő felületen van lehetőség
BD 80/25
Rövidlöketű kompakt henger - kitolt dugattyúrúddal
Kérjük regisztráljon a 3D modellek és termék adatlapok letöltéséhez.
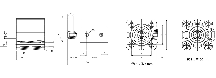
| Termék | Átmérő | Lökethossz | Csatlakozás | Dugattyúrúd menet | Dugattyúrúd átmérő | Tömítés anyaga |
|---|
| Típusszám | Ø [mm] | A | E | E1 | FB | L | L3 | R | T | AF | EE | KF | LA | PL | RT | SW | WH |
|---|---|---|---|---|---|---|---|---|---|---|---|---|---|---|---|---|---|
| BD 12/... | Ø 12 | 6 | 29 | 1 | 3,3 | 28 | 3,5 | 18 | 1,5 | 6 | M 5 | M 3 | 12,5 | 7,5 | M 4 | 5 | 6 |
| BD 16/... | Ø 16 | 8 | 29 | 1 | 3,3 | 30,5 | 3,5 | 18 | 2 | 8 | M 5 | M 4 | 14,5 | 8,5 | M 4 | 7 | 6 |
| BD 20/... | Ø 20 | 10 | 36 | 1,5 | 4,2 | 31,5 | 4,5 | 22 | 2 | 8 | M 5 | M 5 | 16,5 | 9 | M 5 | 9 | 6 |
| BD 25/... | Ø 25 | 10 | 40 | 1,5 | 4,2 | 31,5 | 4,5 | 26 | 2 | 8 | M 5 | M 5 | 16,5 | 9 | M 5 | 9 | 6 |
| BD 32/... | Ø 32 | 12 | 45 | 3,5 | 5 | 32 | 5,7 | 32,5 | 2,8 | 10 | G 1/8" | M 6 | 21,7 | 10 | M 6 | 10 | 7 |
| BD 40/... | Ø 40 | 12 | 52 | 5 | 5 | 38,5 | 5,7 | 38 | 2,8 | 10 | G 1/8" | M 6 | 21,7 | 11 | M 6 | 10 | 7,2 |
| BD 50/... | Ø 50 | 16 | 63,5 | 7 | 6,8 | 39 | 6,8 | 46,5 | 3,5 | 12 | G 1/8" | M 8 | 22,8 | 11 | M 8 | 13 | 8,5 |
| BD 63/... | Ø 63 | 16 | 77 | 7 | 6,8 | 46 | 6,8 | 56,5 | 3,5 | 12 | G 1/8" | M 8 | 22,8 | 11,5 | M 8 | 13 | 8 |
| BD 80/... | Ø 80 | 20 | 92 | 10 | 8,5 | 54 | 9 | 72 | 4,5 | 16 | G 1/8" | M 10 | 25 | 14 | M 10 | 17 | 11 |
| BD 100/... | Ø 100 | 25 | 113 | 13 | 8,5 | 65 | 9 | 89 | 6 | 20 | G 1/4" | M 12 | 25 | 17,5 | M 10 | 22 | 12 |
| Funkció: | egyszeres |
|---|---|
| Átmérő: | Ø80 |
| Lökethossz: | 25 mm |
| Csatlakozás: | G 1/8" |
| Hőmérséklet tartomány: | -20°C…+80°C |
| Dugattyúrúd anyaga: | keménykrómozott acél (CK45) |
| Dugattyú: | mágneses |
| Dugattyú anyaga: | alumínium |
| Dugattyú rúd helyzete: | alaphelyzetben kint |
| Dugattyúrúd menet: | M10 - belső menet |
| Dugattyúrúd átmérő: | Ø20 mm |
| Hengerfedelek anyaga: | eloxált alumínium |
| Hengertest anyaga: | eloxált alumínium |
| Húzóerő (6 bar): | 2685 N |
| Közeg: | sűrített levegő |
| Löketvég csillapítás: | rugalmas |
| Tömítés anyaga: | NBR, PU (max. 80°C) |
| Vezetőpersely anyaga: | szinterbronz |
| Üzemi nyomás: | 1…10 bar |












