DF 63
Karima
Egyedi igények rögzítésére a rendelésösszesítő felületen van lehetőség
DF 63
Karima
Kérjük regisztráljon a 3D modellek és termék adatlapok letöltéséhez.
| Termék | Hengerátmérő |
|---|
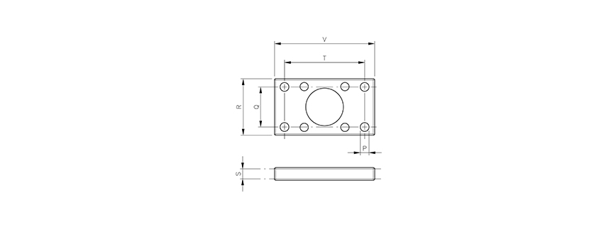
| Típusszám | Hengerátmérő | P | Q | R | S | T | V |
|---|---|---|---|---|---|---|---|
| DF 32 | Ø 32 | 7 | 32 | 45 | 10 | 64 | 80 |
| DF 40 | Ø 40 | 9 | 36 | 52 | 10 | 72 | 90 |
| DF 50 | Ø 50 | 9 | 45 | 65 | 12 | 90 | 110 |
| DF 63 | Ø 63 | 9 | 50 | 75 | 12 | 100 | 120 |
| DF 80 | Ø 80 | 12 | 63 | 95 | 16 | 126 | 150 |
| DF 100 | Ø 100 | 14 | 75 | 115 | 16 | 150 | 170 |
| DF 125 | Ø 125 | 16 | 90 | 140 | 20 | 180 | 205 |
| Anyag: | acél |
|---|---|
| Hengerátmérő: | Ø63 |












