DSL 100-125
Tartó bak
Egyedi igények rögzítésére a rendelésösszesítő felületen van lehetőség
DSL 100-125
Tartó bak
Kérjük regisztráljon a 3D modellek és termék adatlapok letöltéséhez.
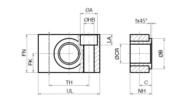
| Termék | Hengerátmérő |
|---|
| Típusszám | Hengerátmérő | C | FK | FN | f | LA | NH | Ø A | Ø B | Ø CR | Ø HB | TH | UL |
|---|---|---|---|---|---|---|---|---|---|---|---|---|---|
| DSL 32 | Ø 32 | 10,5 | 15 | 30 | 1 | 7 | 18 | 11 | 22 | 12 | 6,6 | 32 | 46 |
| DSL 40-50 | Ø 40 - 50 | 12 | 18 | 36 | 1,6 | 9 | 21 | 15 | 28 | 16 | 9 | 36 | 55 |
| DSL 63-80 | Ø 63 - 80 | 13 | 20 | 40 | 1,6 | 11 | 23 | 18 | 32 | 20 | 11 | 42 | 65 |
| DSL 100-125 | Ø 100 - 125 | 16 | 25 | 50 | 2 | 13 | 28,5 | 20 | 39 | 25 | 14 | 50 | 75 |
| Anyag: | acél |
|---|---|
| Hengerátmérő: | Ø100-125 |











