FINT 25/10
Rövidlöketű kompakt henger - megvezetett
Egyedi igények rögzítésére a rendelésösszesítő felületen van lehetőség
FINT 25/10
Rövidlöketű kompakt henger - megvezetett
Kérjük regisztráljon a 3D modellek és termék adatlapok letöltéséhez.
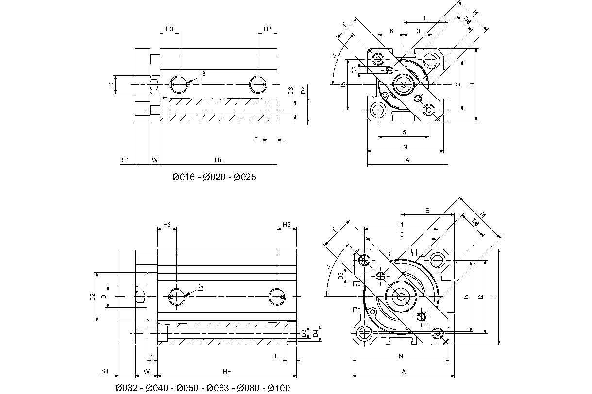
| Termék | Átmérő | Lökethossz | Csatlakozás | Dugattyúrúd menet | Dugattyúrúd átmérő | Tömítés anyaga |
|---|
| Típusszám | Ø [mm] | A | B | α | ØD | ØD2 | ØD3 | ØD4 | D5 | ØD6 | E | G | H+löket | H3 | I1 | I2 | I3 | I5 | I6 | K | L | L1 | N | S | S1 | T | W |
|---|---|---|---|---|---|---|---|---|---|---|---|---|---|---|---|---|---|---|---|---|---|---|---|---|---|---|---|
| FINT 20/… | Ø 20 | 40 | 36 | 45° | 10 | - | 5,8 | 9 | M4 | 11 | 22 | M5 | 32* | 8 | - | 20 | 15 | 25,5 | 12,7 | 8 | 5,7 | 5,7 | 38,5 | - | 8 | 15 | 4,5 |
| FINT 25/… | Ø 25 | 44,5 | 40 | 45° | 10 | - | 5,8 | 9 | M4 | 11 | 24,5 | G1/8 | 38,5* | 10,5 | - | 26 | 15,5 | 28 | 14 | 8 | 5,7 | 5,7 | 42 | - | 8 | 15 | 5,5 |
| FINT 32/… | Ø 32 | 51 | 46 | 41,5° | 12 | 24,5 | 5,8 | 9 | M5 | 17 | 27 | G1/8 | 39,5 | 11,5 | 36 | 32 | - | 34 | - | 10 | 5,7 | - | 48 | 5 | 10 | 20 | 11 |
| FINT 40/… | Ø 40 | 58 | 55 | 45° | 12 | 28 | 5,8 | 9 | M5 | 17 | 30,5 | G1/8 | 39,5 | 11 | 42 | 42 | - | 40 | - | 10 | 5,7 | - | 55 | 6 | 10 | 20 | 12,5 |
| FINT 50/… | Ø 50 | 70 | 65 | 45° | 16 | 34 | 6,8 | 11 | M6 | 22 | 37,5 | G1/8 | 39,5 | 11,5 | 50 | 50 | - | 50 | - | 13 | 6,8 | - | 65 | 6 | 12 | 30 | 13,5 |
| FINT 63/… | Ø 63 | 89 | 80 | 45° | 16 | 38,5 | 9 | 14 | M6 | 22 | 46 | G1/8 | 42 | 11 | 62 | 62 | - | 60 | - | 13 | 8,8 | - | 80 | 8 | 12 | 30 | 15 |
| FINT 80/… | Ø 80 | 105 | 100 | 45° | 20 | 44 | 9 | 14 | M8 | 28 | 55 | G1/4 | 46 | 14 | 82 | 82 | - | 77 | - | 17 | 9 | - | 100 | 10 | 14 | 50 | 18 |
| FINT 100/… | Ø 100 | 131 | 124 | 45° | 25 | 56 | 11 | 17,2 | M10 | 30 | 69 | G1/4 | 56 | 16 | 103 | 103 | - | 94 | - | 22 | 11 | - | 124 | 10,5 | 14 | 50 | 20,5 |
| *Lökethossz: >/= 25 mm | |||||||||||||||||||||||||||
| Ø20 | + 6 mm | ||||||||||||||||||||||||||
| Ø25 | + 1 mm |
| Funkció: | kettős működésű |
|---|---|
| Átmérő: | Ø25 |
| Lökethossz: | 10 mm |
| Csatlakozás: | G 1/8" |
| Hőmérséklet tartomány: | -20°C…+80°C |
| Dugattyúrúd anyaga: | rozsdamentes acél (AISI 304) |
| Dugattyú: | mágneses |
| Dugattyú anyaga: | alumínium |
| Dugattyúrúd menet: | M5 - belső menet |
| Dugattyúrúd átmérő: | Ø10 mm |
| Hengerfedelek anyaga: | eloxált alumínium |
| Hengertest anyaga: | eloxált alumínium |
| Húzóerő (6 bar): | 235 N |
| Közeg: | sűrített levegő |
| Löketvég csillapítás: | rugalmas |
| Nyomóerő (6 bar): | 280 N |
| Tömítés anyaga: | NBR, PU (max. 80°C) |
| Vezetőpersely anyaga: | acél |
| Üzemi nyomás: | 1…10 bar |




