HV 311 701
3/2-es kézi működtetésű szelep, monostabil - G1/4"
Egyedi igények rögzítésére a rendelésösszesítő felületen van lehetőség
HV 311 701
3/2-es kézi működtetésű szelep, monostabil - G1/4"
Kérjük regisztráljon a 3D modellek és termék adatlapok letöltéséhez.
| Termék | Csatlakozás | Helyzetstabilitás | Átáramlás (P1=6 bar, ΔP=1 bar) | Működtető erő | Üzemi nyomás |
|---|
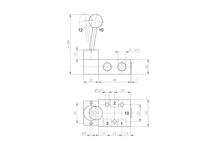
| Vezérlés: | kézi, karos működtetésű |
|---|---|
| Funkció: | 3/2-es |
| Csatlakozás: | G 1/4" |
| Hőmérséklet tartomány: | -10°C…+50°C |
| Helyzetstabilitás: | monostabil |
| Átáramlás (P1=6 bar, ΔP=1 bar): | 1250 l/perc |
| Csatlakozások elhelyezkedése: | szelep két oldalán/egymással szemben |
| Közeg: | sűrített levegő |
| Működtető erő: | 20 N |
| Szelepház anyaga: | alumínium |
| Szelep változat: | különálló szelep |
| Üzemi nyomás: | 1…10 bar |












