HV 511 181
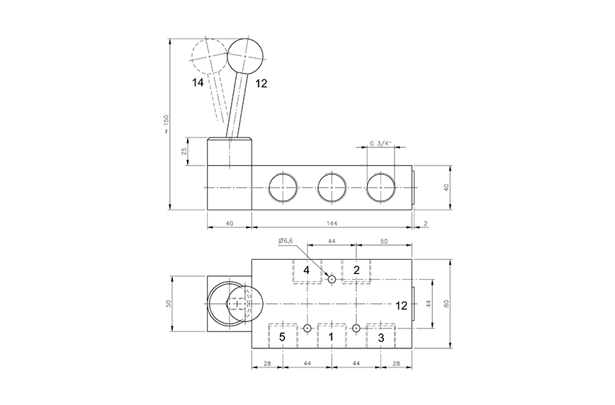
5/2-es kézi működtetésű szelep, monostabil - G3/4
Egyedi igények rögzítésére a rendelésösszesítő felületen van lehetőség
HV 511 181
5/2-es kézi működtetésű szelep, monostabil - G3/4
Kérjük regisztráljon a 3D modellek és termék adatlapok letöltéséhez.
| Termék | Csatlakozás | Helyzetstabilitás | Átáramlás (P1=6 bar, ΔP=1 bar) | Működtető erő | Üzemi nyomás |
|---|
| Vezérlés: | kézi, karos működtetésű |
|---|---|
| Funkció: | 5/2-es |
| Csatlakozás: | G 3/4" |
| Hőmérséklet tartomány: | -10°C…+50°C |
| Helyzetstabilitás: | monostabil |
| Átáramlás (P1=6 bar, ΔP=1 bar): | 6000 l/perc |
| Csatlakozások elhelyezkedése: | szelep két oldalán/egymással szemben |
| Közeg: | sűrített levegő |
| Működtető erő: | 40 N |
| Szelepház anyaga: | alumínium |
| Szelep változat: | különálló szelep |
| Üzemi nyomás: | 1…10 bar |












