MD 510 463 T - 24 DC
5/2-es elektromos vezérlésű sziget szelep, monostabil - pif 6mm
Egyedi igények rögzítésére a rendelésösszesítő felületen van lehetőség
MD 510 463 T - 24 DC
5/2-es elektromos vezérlésű sziget szelep, monostabil - pif 6mm
Kérjük regisztráljon a 3D modellek és termék adatlapok letöltéséhez.
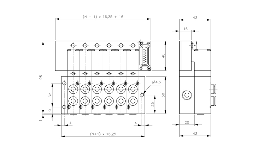
| Termék | Helyzetstabilitás | Átáramlás (P1=6 bar, ΔP=1 bar) | Csatlakozás | 1 | Üzemi nyomás |
|---|
| Vezérlés: | elektromos/mágneses vezérlésű |
|---|---|
| Funkció: | 5/2-es |
| Hőmérséklet tartomány: | -10°C…+50°C |
| Helyzetstabilitás: | monostabil |
| Átáramlás (P1=6 bar, ΔP=1 bar): | 450 l/perc |
| Csatlakozások elhelyezkedése: | szelep két oldalán/egymással szemben |
| Csatlakozás | 1: | alaplapon |
| Csatlakozás | 2, 4: | pif6 |
| Csatlakozás | 3, 5: | alaplapon |
| Feszültség: | 24 V DC |
| Kapcsolási idő: | 50 ms | 6 bar, +20°C-on |
| Közeg: | sűrített levegő |
| Névleges átmérő: | DN 4 |
| Szelepház anyaga: | alumínium |
| Szelep szélessége: | 16 mm |
| Szelep változat: | alaplapra/szelepszigetre szerelhető szelep |
| Teljesítményigény: | 1,8 W / 3 VA |
| Üzemi nyomás: | 3…10 bar |











