MH 311 701
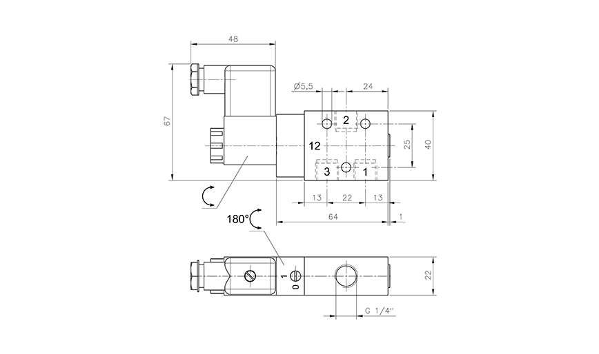
 3/2-es elektromos vezérlésű szelep, monostabil - alaphelyzetben zárt - G1/4" 
Egyedi igények rögzítésére a rendelésösszesítő felületen van lehetőség
 MH 311 701 
 3/2-es elektromos vezérlésű szelep, monostabil - alaphelyzetben zárt - G1/4" 
 Kérjük regisztráljon a 3D modellek és termék adatlapok letöltéséhez. 
| Termék | Csatlakozás | Helyzetstabilitás | Átáramlás (P1=6 bar, ΔP=1 bar) | Teljesítményigény | Üzemi nyomás | 
|---|
| Vezérlés: | elektromos/mágneses vezérlésű | 
|---|---|
| Funkció: | 3/2-es | 
| Csatlakozás: | G 1/4" | 
| Hőmérséklet tartomány: | -10°C…+50°C | 
| Helyzetstabilitás: | monostabil | 
| Átáramlás (P1=6 bar, ΔP=1 bar): | 1250 l/perc | 
| Csatlakozások elhelyezkedése: | szelep két oldalán/egymással szemben | 
| Kapcsolási idő: | 50 ms | 6 bar, +20°C-on | 
| Közeg: | sűrített levegő | 
| Szelepház anyaga: | alumínium | 
| Szelep szélessége: | 22 mm | 
| Szelep változat: | különálló szelep | 
| Teljesítményigény: | 3 W / 5 VA | 
| Üzemi nyomás: | 2,5…10 bar | 



