MH 520 701 VES
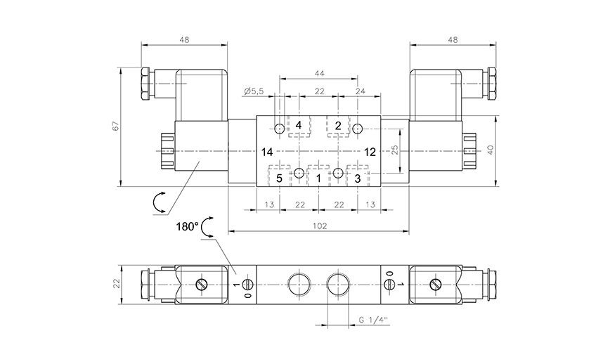
5/2-es elektromos vezérlésű szelep, bistabil - G1/4" - INOX
Mágnes és az elektromos csatlakozó nem tartozék
Egyedi igények rögzítésére a rendelésösszesítő felületen van lehetőség
MH 520 701 VES
5/2-es elektromos vezérlésű szelep, bistabil - G1/4" - INOX
Kérjük regisztráljon a 3D modellek és termék adatlapok letöltéséhez.
| Termék | Csatlakozás | Helyzetstabilitás | Átáramlás (P1=6 bar, ΔP=1 bar) | Teljesítményigény | Üzemi nyomás |
|---|
| Vezérlés: | elektromos/mágneses vezérlésű |
|---|---|
| Funkció: | 5/2-es |
| Csatlakozás: | G 1/4" |
| Hőmérséklet tartomány: | -10°C…+50°C |
| Helyzetstabilitás: | bistabil |
| Átáramlás (P1=6 bar, ΔP=1 bar): | 1250 l/perc |
| Csatlakozások elhelyezkedése: | szelep két oldalán/egymással szemben |
| Kapcsolási idő: | 50 ms | 6 bar, +20°C-on |
| Közeg: | sűrített levegő |
| Szelepház anyaga: | rozsdamentes acél |
| Szelep szélessége: | 22 mm |
| Szelep változat: | különálló szelep |
| Teljesítményigény: | 3 W / 5 VA |
| Üzemi nyomás: | 2…10 bar |












