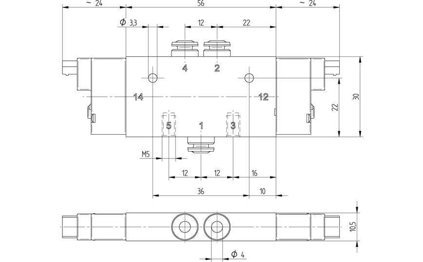
MMD 520 341 - 24 DC
5/2-es elektromos vezérlésű szelep, bistabil - pif 4 mm
Elektromos csatlakozó nem tartozék
Egyedi igények rögzítésére a rendelésösszesítő felületen van lehetőség
MMD 520 341 - 24 DC
5/2-es elektromos vezérlésű szelep, bistabil - pif 4 mm
Kérjük regisztráljon a 3D modellek és termék adatlapok letöltéséhez.
| Termék | Csatlakozás | Helyzetstabilitás | Átáramlás (P1=6 bar, ΔP=1 bar) | Teljesítményigény | Üzemi nyomás |
|---|
| Vezérlés: | elektromos/mágneses vezérlésű |
|---|---|
| Funkció: | 5/2-es |
| Csatlakozás: | pif4 |
| Hőmérséklet tartomány: | -10°C…+50°C |
| Helyzetstabilitás: | bistabil |
| Átáramlás (P1=6 bar, ΔP=1 bar): | 280 l/perc |
| Csatlakozások elhelyezkedése: | szelep két oldalán/egymással szemben |
| Feszültség: | 24 V DC |
| Kapcsolási idő: | 50 ms | 6 bar, +20°C-on |
| Közeg: | sűrített levegő |
| Szelepház anyaga: | alumínium |
| Szelep szélessége: | 10 mm |
| Szelep változat: | különálló szelep |
| Teljesítményigény: | 0,6 W |
| Üzemi nyomás: | 3…8 bar |












