MNH 510 701 VES TT EX IA
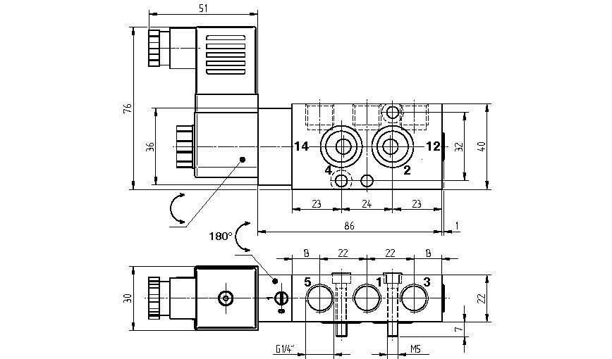
5/2-es elektromos vezérlésű NAMUR szelep, monostabil - G1/4" - INOX - ATEX
Egyedi igények rögzítésére a rendelésösszesítő felületen van lehetőség
MNH 510 701 VES TT EX IA
5/2-es elektromos vezérlésű NAMUR szelep, monostabil - G1/4" - INOX - ATEX
Kérjük regisztráljon a 3D modellek és termék adatlapok letöltéséhez.
| Termék |
|---|
| Vezérlés: | elektromos/mágneses vezérlésű |
|---|---|
| Funkció: | 5/2-es |
| Csatlakozás: | G 1/4" |
| Hőmérséklet tartomány: | -50...+50°C |
| Helyzetstabilitás: | monostabil |
| Átáramlás (P1=6 bar, ΔP=1 bar): | 1250 l/perc |
| Kapcsolási idő: | 50 ms | 6 bar, +20°C-on |
| Közeg: | sűrített levegő |
| Mágnes tokozás (ATEX esetén): | Ex ia |
| Szelepház anyaga: | rozsdamentes acél |
| Szelep szélessége: | 22 mm |
| Szelep változat: | különálló szelep |
| Üzemi nyomás: | 2…10 bar |




