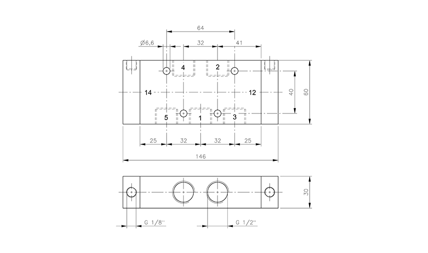
P 520 121 EX
5/2-es pneumatikus vezérlésű szelep, bistabil - G1/2" - ATEX
Egyedi igények rögzítésére a rendelésösszesítő felületen van lehetőség
P 520 121 EX
5/2-es pneumatikus vezérlésű szelep, bistabil - G1/2" - ATEX
Kérjük regisztráljon a 3D modellek és termék adatlapok letöltéséhez.
| Termék |
|---|
| Vezérlés: | pneumatikus/levegővel vezérelt |
|---|---|
| Funkció: | 5/2-es |
| Csatlakozás: | G 1/2" |
| Hőmérséklet tartomány: | -10°C…+50°C |
| Helyzetstabilitás: | bistabil |
| Átáramlás (P1=6 bar, ΔP=1 bar): | 3000 l/perc |
| ATEX zóna: | II 2 G Ex h IIC T6 Gb -10°C ≤Ta ≤ +50°C | II 2 D Ex h IIIC |
| Csatlakozások elhelyezkedése: | szelep két oldalán/egymással szemben |
| Közeg: | sűrített levegő |
| Szelepház anyaga: | alumínium |
| Szelep változat: | különálló szelep |
| Vezérlő csatlakozás: | G 1/8" |
| Vezérlő nyomás: | 2,5…10 bar |
| Üzemi nyomás: | 1…10 bar |












