QEFV 32/10
UNITOP kompakt henger - kitolt dugattyúrúd külső menettel
Egyedi igények rögzítésére a rendelésösszesítő felületen van lehetőség
QEFV 32/10
UNITOP kompakt henger - kitolt dugattyúrúd külső menettel
Kérjük regisztráljon a 3D modellek és termék adatlapok letöltéséhez.
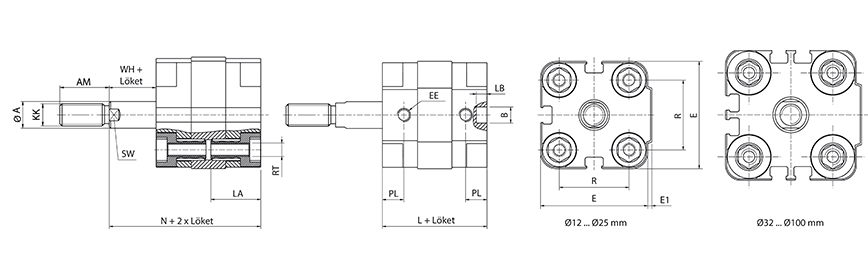
| Termék | Átmérő | Lökethossz | Csatlakozás | Dugattyúrúd menet | Dugattyúrúd átmérő | Tömítés anyaga |
|---|
| Típusszám | Ø [mm] | A | B | E | E1 | L | N | R | T | AM | EE | KK | LA | LB | PL | RT | SW | WH |
|---|---|---|---|---|---|---|---|---|---|---|---|---|---|---|---|---|---|---|
| QEFV 12/... | Ø 12 | 6 | 6 | 29 | 1 | 35 | 42,5 | 18 | 1,5 | 16 | M 5 | M 6 | 16 | 4 | 6,5 | M 4 | 5 | 7,5 |
| QEFV 16/... | Ø 16 | 8 | 6 | 29 | 1 | 35 | 43,5 | 18 | 2 | 20 | M 5 | M 8 | 16 | 4 | 6,5 | M 4 | 7 | 8,5 |
| QEFV 20/... | Ø 20 | 10 | 6 | 36 | 1,5 | 39 | 46 | 22 | 2 | 22 | M 5 | M 10 x 1,25 | 18,5 | 4 | 8 | M 5 | 9 | 7 |
| QEFV 25/... | Ø 25 | 10 | 6 | 40 | 1,5 | 39 | 46 | 26 | 2 | 22 | M 5 | M 10 x 1,25 | 18,5 | 4 | 8 | M 5 | 9 | 7 |
| QEFV 32/... | Ø 32 | 12 | 6 | 50 | 2 | 42 | 49 | 32 | 2,8 | 22 | G 1/8" | M 10 x 1,25 | 21,5 | 4 | 6,5 | M 6 | 10 | 7 |
| QEFV 40/... | Ø 40 | 12 | 6 | 60 | 2,5 | 45,5 | 54 | 42 | 2,8 | 22 | G 1/8" | M 10 x 1,25 | 21,5 | 4 | 7,5 | M 6 | 10 | 8,5 |
| QEFV 50/... | Ø 50 | 16 | 6 | 68 | 3 | 45,5 | 55,5 | 50 | 3,5 | 24 | G 1/8" | M 12 x 1,25 | 23,5 | 4 | 7,5 | M 8 | 13 | 10 |
| QEFV 63/... | Ø 63 | 16 | 8 | 87 | 4 | 51 | 61,5 | 62 | 3,5 | 24 | G 1/8" | M 12 x 1,25 | 28,5 | 4 | 7,5 | M 10 | 13 | 10,5 |
| QEFV 80/... | Ø 80 | 20 | 8 | 107 | 4 | 62 | 75 | 82 | 4,5 | 32 | G 1/8" | M 16 x 1,5 | 28,5 | 4 | 9,5 | M 10 | 17 | 13 |
| QEFV 100/... | Ø 100 | 25 | 8 | 128 | 5 | 68 | 83,5 | 103 | 6 | 40 | G 1/4" | M 20 x 1,5 | 28,5 | 4 | 10,5 | M 10 | 22 | 15,5 |
| Funkció: | egyszeres |
|---|---|
| Átmérő: | Ø32 |
| Lökethossz: | 10 mm |
| Csatlakozás: | G 1/8" |
| Hőmérséklet tartomány: | -20°C…+80°C |
| Dugattyúrúd anyaga: | keménykrómozott acél (CK45) |
| Dugattyú: | mágneses |
| Dugattyú anyaga: | alumínium |
| Dugattyú rúd helyzete: | alaphelyzetben kint |
| Dugattyúrúd menet: | M10 x 1,25 - külső menet |
| Dugattyúrúd átmérő: | Ø12 mm |
| Hengerfedelek anyaga: | eloxált alumínium |
| Hengertest anyaga: | eloxált alumínium |
| Húzóerő (6 bar): | 394 N |
| Közeg: | sűrített levegő |
| Löketvég csillapítás: | rugalmas |
| Tömítés anyaga: | NBR, PU (max. 80°C) |
| Vezetőpersely anyaga: | szinterbronz |
| Üzemi nyomás: | 1…10 bar |











