QIF 12/100
UNITOP kompakt henger - külső menettel
Egyedi igények rögzítésére a rendelésösszesítő felületen van lehetőség
QIF 12/100
UNITOP kompakt henger - külső menettel
Kérjük regisztráljon a 3D modellek és termék adatlapok letöltéséhez.
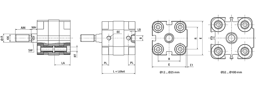
| Termék | Átmérő | Lökethossz | Csatlakozás | Dugattyúrúd menet | Dugattyúrúd átmérő | Tömítés anyaga |
|---|
| Típusszám | Ø [mm] | A | B | E | E1 | L | R | T | AM | EE | KK | LA | LB | PL | RT | SW | WH |
|---|---|---|---|---|---|---|---|---|---|---|---|---|---|---|---|---|---|
| QIF 12/... | Ø 12 | 6 | 6 | 29 | 1 | 35 | 18 | 1,5 | 16 | M 5 | M 6 | 16 | 4 | 6,5 | M 4 | 5 | 7,5 |
| QIF 16/... | Ø 16 | 8 | 6 | 29 | 1 | 35 | 18 | 2 | 20 | M 5 | M 8 | 16 | 4 | 6,5 | M 4 | 7 | 8,5 |
| QIF 20/... | Ø 20 | 10 | 6 | 36 | 1,5 | 39 | 22 | 2 | 22 | M 5 | M 10 x 1,25 | 18,5 | 4 | 8 | M 5 | 9 | 7 |
| QIF 25/... | Ø 25 | 10 | 6 | 40 | 1,5 | 39 | 26 | 2 | 22 | M 5 | M 10 x 1,25 | 18,5 | 4 | 8 | M 5 | 9 | 7 |
| QIF 32/... | Ø 32 | 12 | 6 | 50 | 2 | 42 | 32 | 2,8 | 22 | G 1/8" | M 10 x 1,25 | 21,5 | 4 | 6,5 | M 6 | 10 | 7 |
| QIF 40/... | Ø 40 | 12 | 6 | 60 | 2,5 | 45,5 | 42 | 2,8 | 22 | G 1/8" | M 10 x 1,25 | 21,5 | 4 | 7,5 | M 6 | 10 | 8,5 |
| QIF 50/... | Ø 50 | 16 | 6 | 68 | 3 | 45,5 | 50 | 3,5 | 24 | G 1/8" | M 12 x 1,25 | 23,5 | 4 | 7,5 | M 8 | 13 | 10 |
| QIF 63/... | Ø 63 | 16 | 8 | 87 | 4 | 51 | 62 | 3,5 | 24 | G 1/8" | M 12 x 1,25 | 28,5 | 4 | 7,5 | M 10 | 13 | 10,5 |
| QIF 80/... | Ø 80 | 20 | 8 | 107 | 4 | 62 | 82 | 4,5 | 32 | G 1/8" | M 16 x 1,5 | 28,5 | 4 | 9,5 | M 10 | 17 | 13 |
| QIF 100/... | Ø 100 | 25 | 8 | 128 | 5 | 68 | 103 | 6 | 40 | G 1/4" | M 20 x 1,5 | 28,5 | 4 | 10,5 | M 10 | 22 | 15,5 |
| Funkció: | kettős működésű |
|---|---|
| Átmérő: | Ø12 |
| Lökethossz: | 100 mm |
| Csatlakozás: | M5 |
| Hőmérséklet tartomány: | -20°C…+80°C |
| Dugattyúrúd anyaga: | rozsdamentes acél (AISI 304) |
| Dugattyú: | mágneses |
| Dugattyú anyaga: | alumínium |
| Dugattyúrúd menet: | M6 - külső menet |
| Dugattyúrúd átmérő: | Ø6 mm |
| Hengerfedelek anyaga: | eloxált alumínium |
| Hengertest anyaga: | eloxált alumínium |
| Húzóerő (6 bar): | 51 N |
| Közeg: | sűrített levegő |
| Löketvég csillapítás: | rugalmas |
| Nyomóerő (6 bar): | 68 N |
| Tömítés anyaga: | NBR, PU (max. 80°C) |
| Vezetőpersely anyaga: | szinterbronz |
| Üzemi nyomás: | 1…10 bar |











