RD 510 403
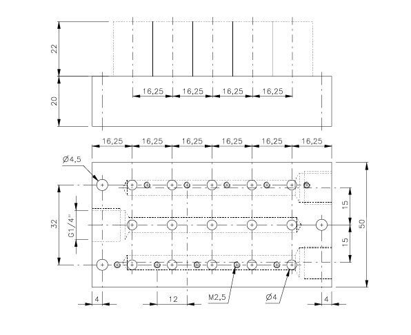
Alaplap az MD 5_ _ 403 és MD 5_ _ 463 szelepekhez - 10-helyes
Egyedi igények rögzítésére a rendelésösszesítő felületen van lehetőség
RD 510 403
Alaplap az MD 5_ _ 403 és MD 5_ _ 463 szelepekhez - 10-helyes
Kérjük regisztráljon a 3D modellek és termék adatlapok letöltéséhez.
| Termék | Csatlakozás | 1 |
|---|
| Anyag: | alumínium |
|---|---|
| Csatlakozás | 1: | G 1/4" |
| Csatlakozás | 2, 4: | szelepen |
| Csatlakozás | 3, 5: | G 1/4" |
| Szelephelyek száma: | 10 db |
| Szelep változat: | alaplap/alaplap modul |















