RHS 25/320
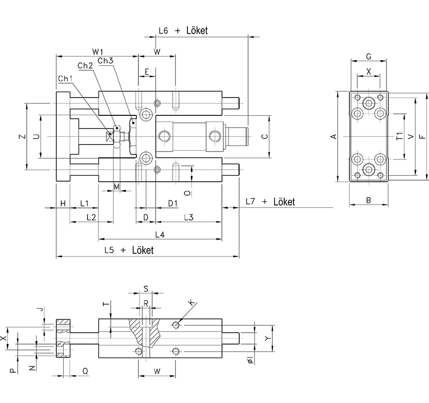
Lineáris H megvezető ISO 6432 hengerhez - siklócsapágyas
Egyedi igények rögzítésére a rendelésösszesítő felületen van lehetőség
RHS 25/320
Lineáris H megvezető ISO 6432 hengerhez - siklócsapágyas
Kérjük regisztráljon a 3D modellek és termék adatlapok letöltéséhez.
| Termék |
|---|
| Típusszám | Hengerátmérő | A | B | C | Ch1 | Ch2 | Ch3 | D | D1 | E | F | G | H | ØI | J | K | L1 | L2 | L3 | L4 | L5 | L6 | L7 | M | N | O | P | Q | R | S | T | T1 | U | V | W | W1 | X | Y | Z |
|---|---|---|---|---|---|---|---|---|---|---|---|---|---|---|---|---|---|---|---|---|---|---|---|---|---|---|---|---|---|---|---|---|---|---|---|---|---|---|---|
| RHS 12-16/... | Ø 12 - 16 | 69 | 30 | 30 | 8 | 10 | 24 | 12 | 6 | 8 | 66 | 29 | 10 | 10 | M 4 | M 4 | - | 18 | 46 | 68 | 123,5 | - | 20,5 | 4 | 4,5 | 6 | 8 | 4,5 | 5,5 | 9 | 5,5 | 32 | 24 | 58 | 18 | - | 18 | 22 | 49,5 |
| RHS 20/... | Ø 20 | 79 | 34 | 37 | 12 | 13 | 27 | 17 | 8,5 | 15 | 78 | 32 | 12 | 12 | M 5 | M 6 | 3 | 18 | 58 | 108 | 166 | 43 | 21 | 5 | 5,5 | 9 | 10 | 7,5 | 6,5 | 11 | 6,5 | 38 | 38 | 68 | 32,5 | 50 | 20 | 23 | 58 |
| RHS 25/... | Ø 25 | 79 | 34 | 37 | 12 | 17 | 27 | 17 | 8,5 | 15 | 78 | 32 | 12 | 12 | M 5 | M 6 | 3 | 18 | 58 | 108 | 166 | 43 | 21 | 6 | 5,5 | 9 | 10 | 7,5 | 6,5 | 11 | 6,5 | 38 | 38 | 68 | 32,5 | 50 | 20 | 23 | 58 |
| Átmérő: | Ø25 |
|---|---|
| Lökethossz: | 320 mm |
| Dugattyúrúd anyaga: | keménykrómozott acél (CK45) |












