TP-MDWL-1/2-1/2
Léghálózat fali csatlakozó
Egyedi igények rögzítésére a rendelésösszesítő felületen van lehetőség
TP-MDWL-1/2-1/2
Léghálózat fali csatlakozó
Kérjük regisztráljon a 3D modellek és termék adatlapok letöltéséhez.
| Termék |
|---|
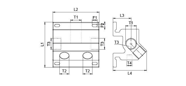
| Típusszám | T1 | T2 | T3 | T4 | L1 | L2 | L3 | L4 | F1 | F2 | g |
|---|---|---|---|---|---|---|---|---|---|---|---|
| TP-PCT-40-25 | G 1/2" | 2x G 1/2" | G 1/2" | G 1/4" | 88 | 90 | 35 | 65,7 | 10 | 5 | 530 |
| TP-PCT-63-40 | G 3/4" | 2x G 1/2" | G 1/2" | G 1/4" | 88 | 90 | 35 | 65,7 | 10 | 5 | 515 |
| Hőmérséklet tartomány: | -20°C…+80°C |
|---|---|
| Csatlakozás | A: | G 1/2" |
| Csatlakozás | B: | G 1/2" |
| Közeg: | sűrített levegő, vákuum |
| Névleges nyomás: | -0,95…16 bar |











