TQ-PCB-10
Push-In falonátvezető
Egyedi igények rögzítésére a rendelésösszesítő felületen van lehetőség
TQ-PCB-10
Push-In falonátvezető
Kérjük regisztráljon a 3D modellek és termék adatlapok letöltéséhez.
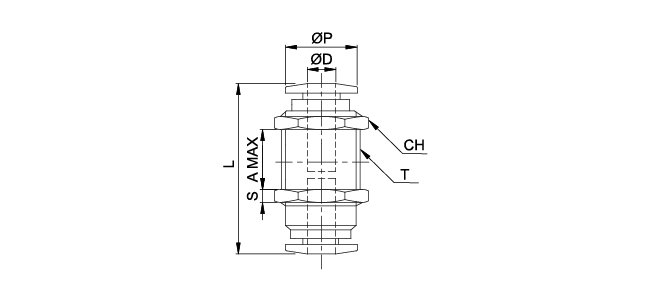
| Termék | Csőméret |
|---|
| Típusszám | ØD | T | ØP | A MAX | L | S | CH | g |
|---|---|---|---|---|---|---|---|---|
| TQ-PCB-4 | 4 | M12x1 | 9,8 | 8,2 | 30,1 | 3,5 | 14 | 15,4 |
| TQ-PCB-6 | 6 | M14x1 | 11,9 | 8,5 | 31,8 | 4 | 17 | 21,4 |
| TQ-PCB-8 | 8 | M16x1 | 13,8 | 8,8 | 35,3 | 4,5 | 19 | 26,8 |
| TQ-PCB-10 | 10 | M20x1 | 17,2 | 11,5 | 39 | 5 | 24 | 52,7 |
| TQ-PCB-12 | 12 | M22x1 | 19,6 | 12,8 | 45,3 | 5 | 27 | 59,8 |
| Hőmérséklet tartomány: | -20°C…+80°C |
|---|---|
| Anyag: | POM |
| Csatlakozó test anyaga: | POM |
| Csőméret: | Ø10 |
| Csőrögzítő hüvely anyaga: | nikkelezett réz |
| Kivitel: | falonátvezető |
| Közeg: | sűrített levegő, vákuum |
| O-gyűrű anyaga: | NBR |
| Rögzítő karom anyaga: | rozsdamentes acél |
| Támasztógyűrű anyaga: | POM |
| Tömítés anyaga: | NBR |
| Üzemi nyomás: | -0,95…16 bar |











