
HAFNER a cement és betoniparban
A cement és betonipar területén széles körben használatosak a pneumatikus berendezések. Alkalmazásuk főként az automatizálás, anyagszállítás, szállítósínek mozgatása és garat váltók területén figyelhető meg.
A felhasznált gépek és berendezések nap, mint nap nagy megterhelés alatt működnek, a poros munkakörnyezet meglehetősen igénybe veszi az egyes érzékeny elemeket. Ezért is kiemelten fontos az ipar e területén az alkatrészek strapabíró, megbízható felépítése.
A HAFNER Pneumatika Kft. a cementés betonipari vállalkozások részére is megbízható partnerként ismert.
Összeállításunkban megtalálhatja az iparághoz optimális termékeinket, melyek garantáltan strapabíróak és időtállóak. Összefoglaltuk a legkedveltebb nedvességálló, UV- álló és a külső behatásokkal szemben is jól ellenálló alkatrészeket is, ezáltal Ügyfeleink könnyen megtalálhatják a számukra kedvező termékeinket.
Pneumatikus alkatrészeink és termékeink kérés esetén egyedi igényekre is szabhatóak.

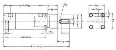
Munkahengerek
Hengertartozékok
VILLÁS FEJ
GÖMBCSUKLÓS FEJ
VILLÁS TALP
GÖMBCSUKLÓS TALP
ADAPTER - KFZ-080 Szelepek

ELEKTROMOS VEZÉRLÉSŰ SZELEPEK
- 5/2-es és 3/2-es különálló szelepek (MH/MEH)
- Munkahengerek működtetéséhez
- Kérésre ATEX kivitelben is
- Kérésre nedvességálló mágnestekerccsel
MH 510 __ 1
MEH 511 __ 1
MH 520 __ 1
MEH 520 __ 1
MH 310 __ 1
MH 311 __ 1
MEH 311 __ 1
MH 320 __ 1
MEH 320 __ 1
MH 311 013
MA 22
ELEKTROMOS VEZÉRLÉSŰ
PNEUMATIKUS VEZÉRLÉSŰ
KAROS MŰKÖDTETÉSŰ
ÁRAMLÁSSZABÁLYZÓ
NAMUR BIZTONSÁGI
HV 511 __ 1
HVR 520 __ 1 Egyedi termékek beton- és cementiparra tervezve
MH 510 714 B
Alumínium elővezérlővel
MH 510 704 J
Alumínium elővezérlővel
Levegő-előkészítő egységek

STANDARD SZÉRIA
- Szűrő-szabályzó + olajzó egységek
- Szűrő + nyomásszabályzó + olajzó egységek
- Szűrő + nyomásszabályzó egységek
- Hosszútávon ellenáll a külső behatásoknak
2 RÉSZES EGYSÉGEK
3 RÉSZES EGYSÉGEK
SZŰRŐ-SZABÁLYZÓK
NYOMÁSSZABÁLYZÓK
SZŰRŐ EGYSÉGEK
OLAJZÓ EGYSÉGEK 
METAL SZÉRIA
- Teljesen fém kialakítású ház és poharak
- Átmenő csavaros felfogatási lehetőség
- Dugattyús szabályzó
- Magasabb bemenő nyomás: max. 18 bar
- Nyitott, félautomata és zárt szűrő pohár leeresztés
- Egyedi ajánlat alapján abszorpciós szárító is elérhető
2 RÉSZES EGYSÉGEK
SZŰRŐ-SZABÁLYZÓK
NYOMÁSSZABÁLYZÓK
SZŰRŐ EGYSÉGEK
OLAJZÓ EGYSÉGEK
BEKAPCSOLÓ SZELEPEK
TARTOZÉKOK RÖMER membránszelepek

RÖMER GAMMA SZELEPEK
- 2/2-es membránszelepek
- Alaphelyzetben zárt és nyitott kivitelben
- Rozsdamentes kivitelben is
- Vízadagoláshoz optimális
ELEKTROMOS VEZÉRLÉSŰ
ELEKTROMOS VEZÉRLÉSŰ INOX SZELEPEK
PNEUMATIKUS SZELEPEK
PNEUMATIKUS INOX SZELEPEK 
RÖMER SIGMA SZELEPEK
- 2/2-es membránszelepek
- Áramlás ellen záródó kivitelben is
- Kapcsolódik MH 311 013 szelepünkhöz
- Vízadagoláshoz optimális
PKV-131-A
PKV-131-B
PKV-134-A
PKV-134-B
PKV-137-C
PKV-137-D
PKV-137-E
PKV-137-F Csatlakozók




Alaplapok









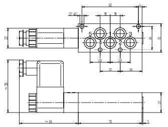
BA 311 __ 1
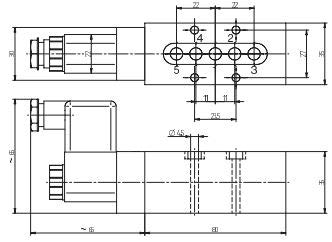
BA 511 __ 1
BA 22
BA 22_ __ / BA 334 01 


3F SZÉRIA
4F SZÉRIA
MÁGNESTEKERCSEK 

3-UTAS SZELEPEKHEZ
5-UTAS SZELEPEKHEZ 
