262X4-1/2FF
Zárócsavar, O-gyűrűvel - INOX
Egyedi igények rögzítésére a rendelésösszesítő felületen van lehetőség
262X4-1/2FF
Zárócsavar, O-gyűrűvel - INOX
Termék adat PDF
Letöltés| Termék | Csatlakozás |
|---|
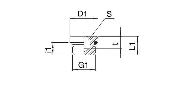
| Típusszám | G1 | i1 | L1 | D1 | t | S | g |
|---|---|---|---|---|---|---|---|
| 262X4-1/8FF | G 1/8" | 5 | 8 | 13 | 4 | 5 | 4,2 |
| 262X4-1/4FF | G 1/4" | 7 | 10,5 | 16 | 5,5 | 6 | 9,2 |
| 262X4-3/8FF | G 3/8" | 8 | 11,5 | 20 | 5,5 | 8 | 16,2 |
| 262X4-1/2FF | G 1/2" | 9 | 13 | 25 | 5,5 | 10 | 29,4 |
| Csatlakozás: | G 1/2" |
|---|---|
| Hőmérséklet tartomány: | -20°C…+140°C |
| Anyag: | rozsdamentes acél |
| Közeg: | sűrített levegő |
| Tömítés anyaga: | tömítés nélkül |
| Üzemi nyomás: | 0…25 bar |











