265M-1/8-M16X1,5
Falonátvezető idom
Egyedi igények rögzítésére a rendelésösszesítő felületen van lehetőség
265M-1/8-M16X1,5
Falonátvezető idom
Termék adat PDF
Letöltés| Termék | Csatlakozás |
|---|
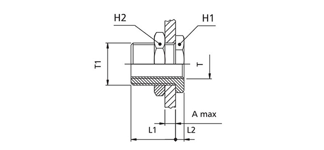
| Típusszám | T | T1 | A MAX | L1 | L2 | H1 | H2 | g |
|---|---|---|---|---|---|---|---|---|
| 265M-M5-M10x1 | M5x0,8 | M10x1 | 7 | 10,5 | 3,5 | 14 | 14 | 12 |
| 265M-1/8-M16x1,5 | G 1/8" | M16x1,5 | 10 | 14 | 4 | 19 | 22 | 30 |
| 265M-1/4-M20x1,5 | G 1/4" | M20x1,5 | 16 | 21 | 4 | 24 | 27 | 58 |
| 265M-3/8-M26-1,5 | G 3/8" | M26-1,5 | 15 | 21 | 5 | 30 | 32 | 94 |
| 265M-1/2-M28x1,5 | G 1/2" | M28x1,5 | 21 | 27 | 6 | 32 | 36 | 116 |
| Csatlakozás: | G 1/8" |
|---|---|
| Hőmérséklet tartomány: | -15°C…+200°C |
| Anyag: | nikkelezett réz |
| Közeg: | sűrített levegő, víz, olaj |
| Tömítés anyaga: | tömítés nélkül |
| Üzemi nyomás: | 0…50 bar |











