AD 40/25
Körprofil henger - kitolt dugattyúrúddal
Egyedi igények rögzítésére a rendelésösszesítő felületen van lehetőség
AD 40/25
Körprofil henger - kitolt dugattyúrúddal
Kérjük regisztráljon a 3D modellek és termék adatlapok letöltéséhez.
| Termék | Átmérő | Lökethossz | Csatlakozás | Dugattyúrúd menet | Dugattyúrúd átmérő | Tömítés anyaga |
|---|
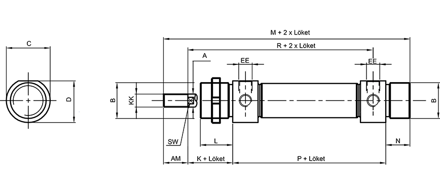
| Típusszám | Ø [mm] | A | B | C | D | K | L | M | N | P | R | AM | EE | KK | SW |
|---|---|---|---|---|---|---|---|---|---|---|---|---|---|---|---|
| AD 32/... | Ø 32 | 12 | M 30 x 1,5 | 38 | 36,5 | 38 | 30 | 168 | 14 | 96 | 125 | 20 | G 1/8" | M 10 x 1,25 | 10 |
| AD 40/... | Ø 40 | 16 | M 38 x 1,5 | 46 | 44 | 45 | 35 | 196 | 16 | 111 | 144 | 24 | G 1/4" | M 12 x 1,25 | 12 |
| AD 50/... | Ø 50 | 20 | M 45 x 1,5 | 57 | 55 | 50 | 38 | 220 | 18 | 120 | 158 | 32 | G 1/4" | M 16 x 1,5 | 16 |
| AD 63/... | Ø 63 | 20 | M 45 x 1,5 | 70 | 67,5 | 50 | 38 | 224 | 18 | 124 | 161 | 32 | G 3/8" | M 16 x 1,5 | 16 |
| Funkció: | egyszeres |
|---|---|
| Átmérő: | Ø40 |
| Lökethossz: | 25 mm |
| Csatlakozás: | G 1/4" |
| Hőmérséklet tartomány: | -20°C…+80°C |
| Dugattyúrúd anyaga: | rozsdamentes, saválló acél (AISI 316) |
| Dugattyú: | mágneses |
| Dugattyú anyaga: | eloxált alumínium |
| Dugattyú rúd helyzete: | alaphelyzetben kint |
| Dugattyúrúd menet: | M12 x 1,25 - külső menet |
| Dugattyúrúd átmérő: | Ø16 mm |
| Hengerfedelek anyaga: | eloxált alumínium |
| Hengertest anyaga: | rozsdamentes acél |
| Húzóerő (6 bar): | 536 N |
| Közeg: | sűrített levegő |
| Löketvég csillapítás: | rugalmas |
| Tömítés anyaga: | NBR, PU (max. 80°C) |
| Vezetőpersely anyaga: | szinterbronz |
| Üzemi nyomás: | 1…10 bar |













