MNH 531 121 NPT
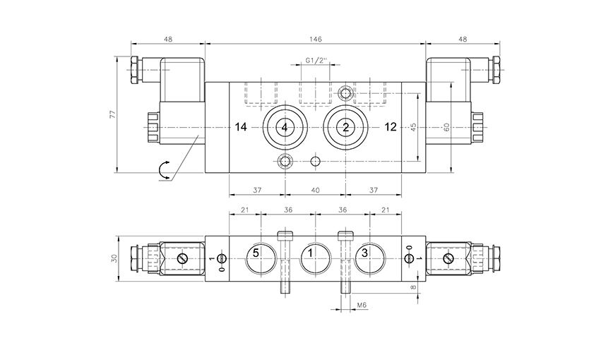
5/3-as elektromos vezérlésű NAMUR szelep, középállásban zárt - NPT1/2"
Mágnes és az elektromos csatlakozó nem tartozék
Egyedi igények rögzítésére a rendelésösszesítő felületen van lehetőség
MNH 531 121 NPT
5/3-as elektromos vezérlésű NAMUR szelep, középállásban zárt - NPT1/2"
Kérjük regisztráljon a 3D modellek és termék adatlapok letöltéséhez.
| Termék | Csatlakozás | Helyzetstabilitás | Átáramlás (P1=6 bar, ΔP=1 bar) | Teljesítményigény | Üzemi nyomás |
|---|
| Vezérlés: | elektromos/mágneses vezérlésű |
|---|---|
| Funkció: | 5/3-as |
| Csatlakozás: | NPT 1/2" |
| Hőmérséklet tartomány: | -10°C…+50°C |
| Helyzetstabilitás: | 3-állású zárt |
| Átáramlás (P1=6 bar, ΔP=1 bar): | 3000 l/perc |
| Csatlakozások elhelyezkedése: | NAMUR felületen |
| Kapcsolási idő: | 50 ms | 6 bar, +20°C-on |
| Közeg: | sűrített levegő |
| Szelepház anyaga: | alumínium |
| Szelep változat: | különálló szelep |
| Teljesítményigény: | 3 W / 5 VA |
| Üzemi nyomás: | 1…10 bar |













