Kifutó
QINT 16/185
UNITOP kompakt henger - megvezetett
Egyedi igények rögzítésére a rendelésösszesítő felületen van lehetőség
QINT 16/185
UNITOP kompakt henger - megvezetett
Kérjük regisztráljon a 3D modellek és termék adatlapok letöltéséhez.
| Termék | Átmérő | Lökethossz | Csatlakozás | Dugattyúrúd menet | Dugattyúrúd átmérő | Tömítés anyaga |
|---|
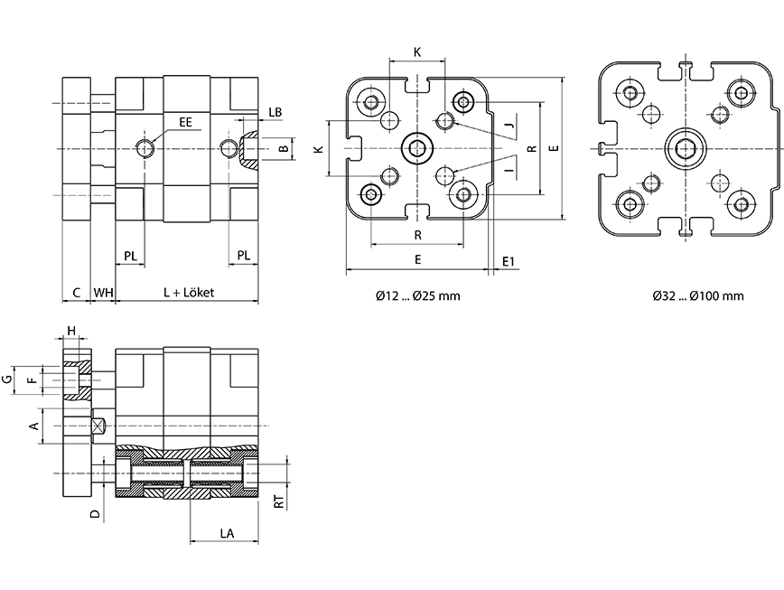
| Típusszám | Ø [mm] | A | B | C | D | E | E1 | F | G | H | I | J | K | L | R | EE | LA | LB | PL | RT | WH |
|---|---|---|---|---|---|---|---|---|---|---|---|---|---|---|---|---|---|---|---|---|---|
| QINT 12/... | Ø 12 | 6 | 6 | 5 | 4 | 29 | 1 | M 3 | 6 | 3,5 | 3 | M 3 | 9,9 | 35 | 18 | M 5 | 16 | 4 | 6,5 | M 4 | 7,5 |
| QINT 16/... | Ø 16 | 8 | 6 | 5 | 4 | 29 | 1 | M 3 | 6 | 3,5 | 3 | M 3 | 9,9 | 35 | 18 | M 5 | 16 | 4 | 6,5 | M 4 | 8,5 |
| QINT 20/... | Ø 20 | 10 | 6 | 8 | 6 | 36 | 1,5 | M 3 | 6 | 3,5 | 4 | M 4 | 12 | 39 | 22 | M 5 | 18,5 | 4 | 8 | M 5 | 7 |
| QINT 25/... | Ø 25 | 10 | 6 | 8 | 6 | 40 | 1,5 | M 4 | 8 | 4,5 | 5 | M 5 | 15,6 | 39 | 26 | M 5 | 18,5 | 4 | 8 | M 5 | 7 |
| QINT 32/... | Ø 32 | 12 | 6 | 10 | 6 | 50 | 2 | M 4 | 8 | 5,5 | 5 | M 5 | 19,8 | 42 | 32 | G 1/8" | 21,5 | 4 | 6,5 | M 6 | 7 |
| QINT 40/... | Ø 40 | 12 | 6 | 10 | 6 | 60 | 2,5 | M 4 | 8 | 5,5 | 5 | M 5 | 23,3 | 45,5 | 42 | G 1/8" | 21,5 | 4 | 7,5 | M 6 | 8,7 |
| QINT 50/... | Ø 50 | 16 | 6 | 12 | 8 | 68 | 3 | M 6 | 11 | 7 | 6 | M 6 | 29,7 | 45,5 | 50 | G 1/8" | 23,5 | 4 | 7,5 | M 8 | 10,2 |
| QINT 63/... | Ø 63 | 16 | 8 | 12 | 8 | 87 | 4 | M 6 | 11 | 7 | 6 | M 6 | 35,4 | 51 | 62 | G 1/8" | 28,5 | 4 | 7,5 | M 10 | 10,5 |
| QINT 80/... | Ø 80 | 20 | 8 | 14 | 12 | 107 | 4 | M 8 | 14 | 9 | 8 | M 8 | 46 | 62 | 82 | G 1/8" | 28,5 | 4 | 9,5 | M 10 | 12 |
| QINT 100/... | Ø 100 | 25 | 8 | 14 | 12 | 128 | 5 | M 8 | 14 | 9 | 10 | M 10 | 56,5 | 68 | 103 | G 1/4" | 28,5 | 4 | 10,5 | M 10 | 15,5 |
| Funkció: | kettős működésű |
|---|---|
| Átmérő: | Ø16 |
| Lökethossz: | 185 mm |
| Csatlakozás: | M5 |
| Hőmérséklet tartomány: | -20°C…+80°C |
| Dugattyúrúd anyaga: | rozsdamentes acél (AISI 304) |
| Dugattyú: | mágneses |
| Dugattyú anyaga: | alumínium |
| Dugattyúrúd menet: | elfordulás ellen védett |
| Dugattyúrúd átmérő: | Ø8 mm |
| Hengerfedelek anyaga: | eloxált alumínium |
| Hengertest anyaga: | eloxált alumínium |
| Húzóerő (6 bar): | 80 N |
| Közeg: | sűrített levegő |
| Löketvég csillapítás: | rugalmas |
| Nyomóerő (6 bar): | 105 N |
| Tömítés anyaga: | NBR, PU (max. 80°C) |
| Vezetőpersely anyaga: | szinterbronz |
| Üzemi nyomás: | 1…10 bar |












