REMV 25/25
ISO 6432 körprofil henger - kitolt dugattyúrúddal
Egyedi igények rögzítésére a rendelésösszesítő felületen van lehetőség
REMV 25/25
ISO 6432 körprofil henger - kitolt dugattyúrúddal
Kérjük regisztráljon a 3D modellek és termék adatlapok letöltéséhez.
| Termék | Átmérő | Lökethossz | Csatlakozás | Dugattyúrúd menet | Dugattyúrúd átmérő | Tömítés anyaga |
|---|
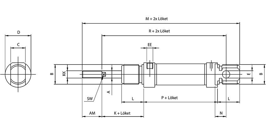
| Típusszám | Ø [mm] | A | B | C | D | E | K | L | M | N | P | R | AM | EE | KK | SW |
|---|---|---|---|---|---|---|---|---|---|---|---|---|---|---|---|---|
| REMV 16/... | Ø 16 | 6 | M 16 x 1,5 | 12 | 19 | 6 | 22 | 18 | 134,5 | 9 | 78,5 | 107,5 | 16 | M 5 | M 6 | 5 |
| REMV 20/... | Ø 20 | 8 | M 22 x 1,5 | 16 | 27 | 8 | 24 | 20 | 154 | 12 | 90 | 118 | 20 | G 1/8" | M 8 | 7 |
| REMV 25/... | Ø 25 | 10 | M 22 x 1,5 | 16 | 30 | 8 | 28 | 22 | 166 | 12 | 94 | 130 | 22 | G 1/8" | M 10 x 1,25 | 9 |
| Funkció: | egyszeres |
|---|---|
| Átmérő: | Ø25 |
| Lökethossz: | 25 mm |
| Csatlakozás: | G 1/8" |
| Hőmérséklet tartomány: | -20°C…+80°C |
| Dugattyúrúd anyaga: | rozsdamentes acél (AISI 304) |
| Dugattyú: | mágneses |
| Dugattyú anyaga: | sárgaréz |
| Dugattyú rúd helyzete: | alaphelyzetben kint |
| Dugattyúrúd menet: | M10 x 1,25 - külső menet |
| Dugattyúrúd átmérő: | Ø10 mm |
| Hengerfedelek anyaga: | eloxált alumínium |
| Hengertest anyaga: | rozsdamentes acél |
| Húzóerő (6 bar): | 207 N |
| ISO szabvány: | ISO 6432 |
| Közeg: | sűrített levegő |
| Löketvég csillapítás: | rugalmas |
| Tömítés anyaga: | NBR, PU (max. 80°C) |
| Vezetőpersely anyaga: | szinterbronz |
| Üzemi nyomás: | 1…10 bar |











