SE 8101
Gyorsleürítő szelep
Egyedi igények rögzítésére a rendelésösszesítő felületen van lehetőség
SE 8101
Gyorsleürítő szelep
Kérjük regisztráljon a 3D modellek és termék adatlapok letöltéséhez.
| Termék | Csatlakozás | Átáramlás (P1=6 bar, ΔP=1 bar) | Üzemi nyomás |
|---|
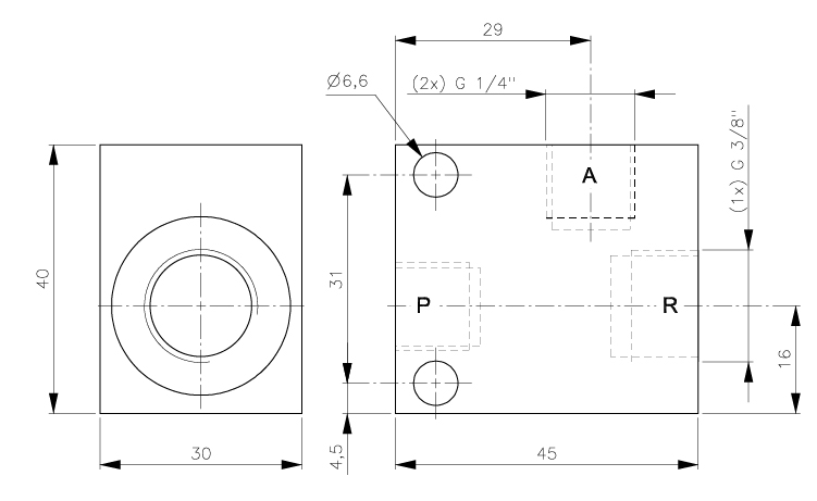
| Csatlakozás: | G 1/4" |
|---|---|
| Hőmérséklet tartomány: | -10°C…+50°C |
| Átáramlás (P1=6 bar, ΔP=1 bar): | max. 1188 l/perc |
| Csatlakozások elhelyezkedése: | szelep két oldalán/egymással szemben |
| Funkció- és logikai szelepek: | gyorsleürítő |
| Közeg: | sűrített levegő |
| Szelepház anyaga: | alumínium |
| Szelep változat: | különálló szelep |
| Üzemi nyomás: | 0,3...10 bar |











