TP-BVFF-1
Léghálózat golyóscsap
Egyedi igények rögzítésére a rendelésösszesítő felületen van lehetőség
TP-BVFF-1
Léghálózat golyóscsap
Kérjük regisztráljon a 3D modellek és termék adatlapok letöltéséhez.
| Termék |
|---|
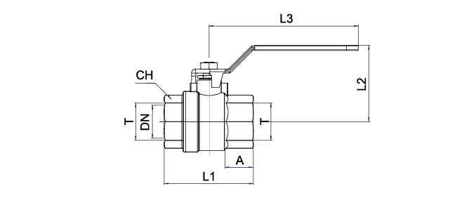
| Típusszám | T | DN | PN | A | L1 | L2 | L3 | CH | g |
|---|---|---|---|---|---|---|---|---|---|
| TP-BVFF-1 | G 1" | 25 | 40 | 15 | 70 | 59 | 115 | 38 | 422 |
| TP-BVFF-1.1/2 | G 1-1/2" | 40 | 32 | 18 | 90 | 75 | 150 | 54 | 959 |
| TP-BVFF-1/2 | G 1/2" | 15 | 50 | 11 | 50 | 43 | 92 | 25 | 158 |
| TP-BVFF-2.1/2 | G 2-1/2" | 60 | 16 | 22 | 132 | 108 | 200 | 84 | |
| TP-BVFF-3/4 | G 3/4" | 20 | 50 | 13 | 57 | 47 | 92 | 31 | 255 |
| Hőmérséklet tartomány: | -20°C...+150°C |
|---|---|
| Csatlakozás | A: | G 1" |
| Csatlakozás | B: | G 1" |
| Közeg: | sűrített levegő, vákuum |
| Névleges nyomás: | -0,95…16 bar |










