ZEN 40/5
ISO 21287 kompakt henger - belső menettel
Egyedi igények rögzítésére a rendelésösszesítő felületen van lehetőség
ZEN 40/5
ISO 21287 kompakt henger - belső menettel
Kérjük regisztráljon a 3D modellek és termék adatlapok letöltéséhez.
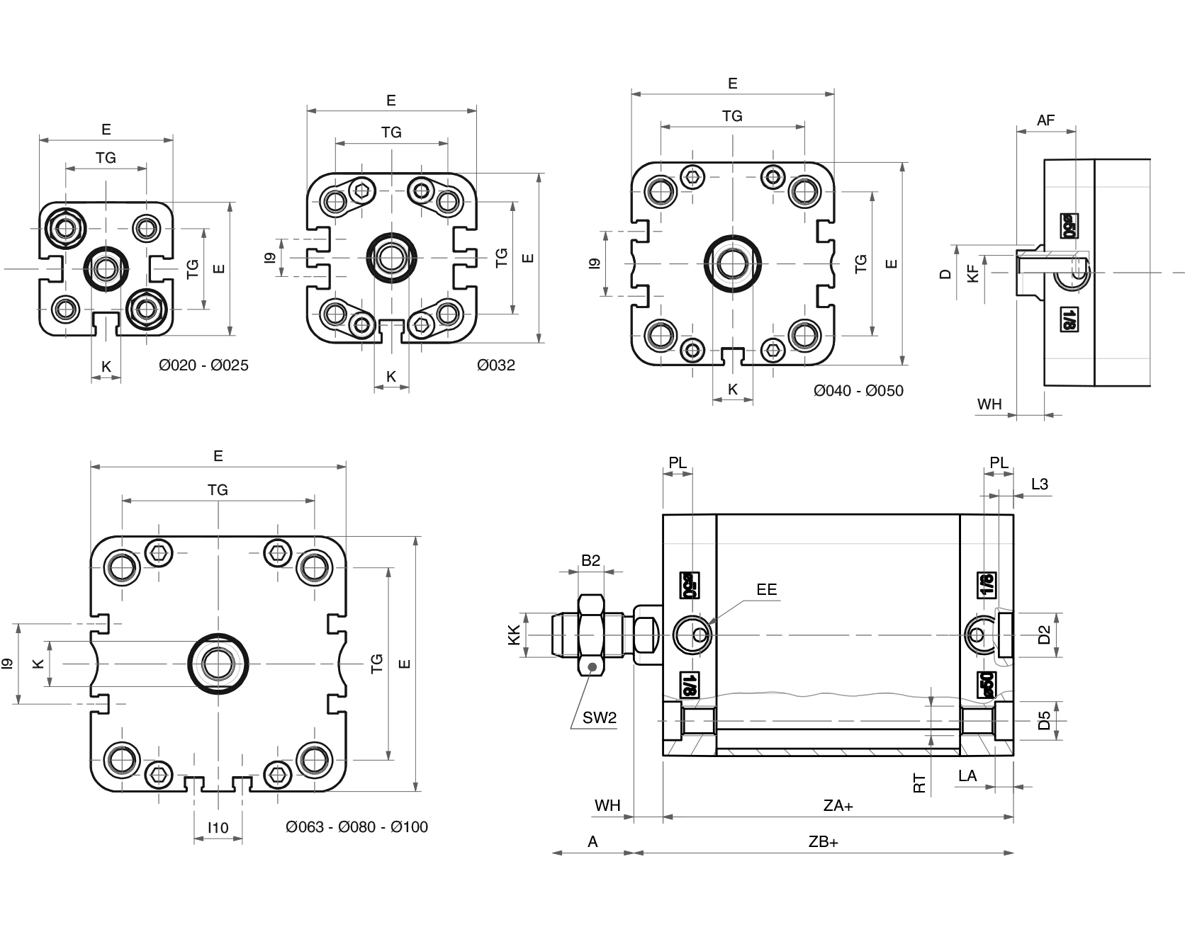
| Termék | Átmérő | Lökethossz | Csatlakozás | Dugattyúrúd menet | Dugattyúrúd átmérő | Tömítés anyaga |
|---|
| Típusszám | ZEN 20/… | ZEN 25/… | ZEN 32/… | ZEN 40/… | ZEN 50/… | ZEN 63/… | ZEN 80/… | ZEN 100/… |
|---|---|---|---|---|---|---|---|---|
| Ø | Ø20 | Ø25 | Ø32 | Ø40 | Ø50 | Ø63 | Ø80 | Ø100 |
| A | 16 | 16 | 19 | 19 | 22 | 22 | 28 | 28 |
| AF | 15 | 15 | 15 | 15 | 17 | 17 | 20 | 22 |
| B2 | 5 | 5 | 6 | 6 | 7 | 7 | 8 | 8 |
| Ø D | 10 | 10 | 12 | 12 | 16 | 16 | 20 | 25 |
| Ø D2 | 9 | 9 | 9 | 9 | 12 | 12 | 12 | 12 |
| Ø D5 | 7,5 | 7,5 | 9 | 9 | 10,5 | 10,5 | 13,5 | 13,5 |
| E | 36 | 40 | 49 | 54,5 | 65,5 | 77 | 95,5 | 113,5 |
| EE | M5 | M5 | G1/8 | G1/8 | G1/8 | G1/8 | G1/8 | G1/8 |
| I9 | - | - | 10,8 | 12,8 | 21 | 25,8 | 30 | 50 |
| I10 | - | - | - | - | - | 13 | 18 | 35 |
| K | 8 | 8 | 10 | 10 | 13 | 13 | 17 | 22 |
| KF | M6 | M6 | M8 | M8 | M10 | M10 | M12 | M12 |
| KK | M8 | M8 | M10x1,25 | M10x1,25 | M12x1,25 | M12x1,25 | M16x1,5 | M16x1,5 |
| LA | 4,5 | 4,5 | 5 | 5 | 5 | 5 | 3 | 3 |
| L3 | 3 | 3 | 3 | 3 | 4 | 4 | 4 | 4 |
| PL | 7,5 | 7,5 | 7,5 | 8 | 8 | 7,5 | 8 | 10,5 |
| RT | M5 | M5 | M6 | M6 | M8 | M8 | M10 | M10 |
| SW2 | 13 | 13 | 17 | 17 | 19 | 19 | 24 | 24 |
| TG | 22 | 26 | 32,5 | 38 | 46,5 | 56,5 | 72 | 89 |
| WH | 6,5 | 6 | 6,5 | 7 | 8 | 8 | 9 | 10 |
| ZA+löket | 37* | 39* | 44* | 45* | 45* | 49* | 54* | 67* |
| ZB+löket | 43,5* | 45* | 50,5* | 52* | 53* | 57* | 63* | 77* |
| * Ø35- Ø40 - Ø50 - Ø60: | ||||||||
| Ø20 | +10 mm | |||||||
| Ø25-32-40-50-63 | +20 mm | |||||||
| Ø80-100 | +30 mm |
| Funkció: | egyszeres |
|---|---|
| Átmérő: | Ø40 |
| Lökethossz: | 5 mm |
| Csatlakozás: | G 1/8" |
| Hőmérséklet tartomány: | -20°C…+80°C |
| Dugattyúrúd anyaga: | keménykrómozott acél (CK45) |
| Dugattyú: | mágneses |
| Dugattyú anyaga: | alumínium |
| Dugattyú rúd helyzete: | alaphelyzetben bent |
| Dugattyúrúd menet: | M8 - belső menet |
| Dugattyúrúd átmérő: | Ø12 mm |
| Hengerfedelek anyaga: | eloxált alumínium |
| Hengertest anyaga: | eloxált alumínium |
| ISO szabvány: | ISO 21287 |
| Közeg: | sűrített levegő |
| Löketvég csillapítás: | rugalmas |
| Nyomóerő (6 bar): | 646 N |
| Tömítés anyaga: | NBR, PU (max. 80°C) |
| Vezetőpersely anyaga: | szinterbronz |
| Üzemi nyomás: | 1…10 bar |













