ZINT 20/320
ISO 21287 kompakt henger - megvezetett
Egyedi igények rögzítésére a rendelésösszesítő felületen van lehetőség
ZINT 20/320
ISO 21287 kompakt henger - megvezetett
Kérjük regisztráljon a 3D modellek és termék adatlapok letöltéséhez.
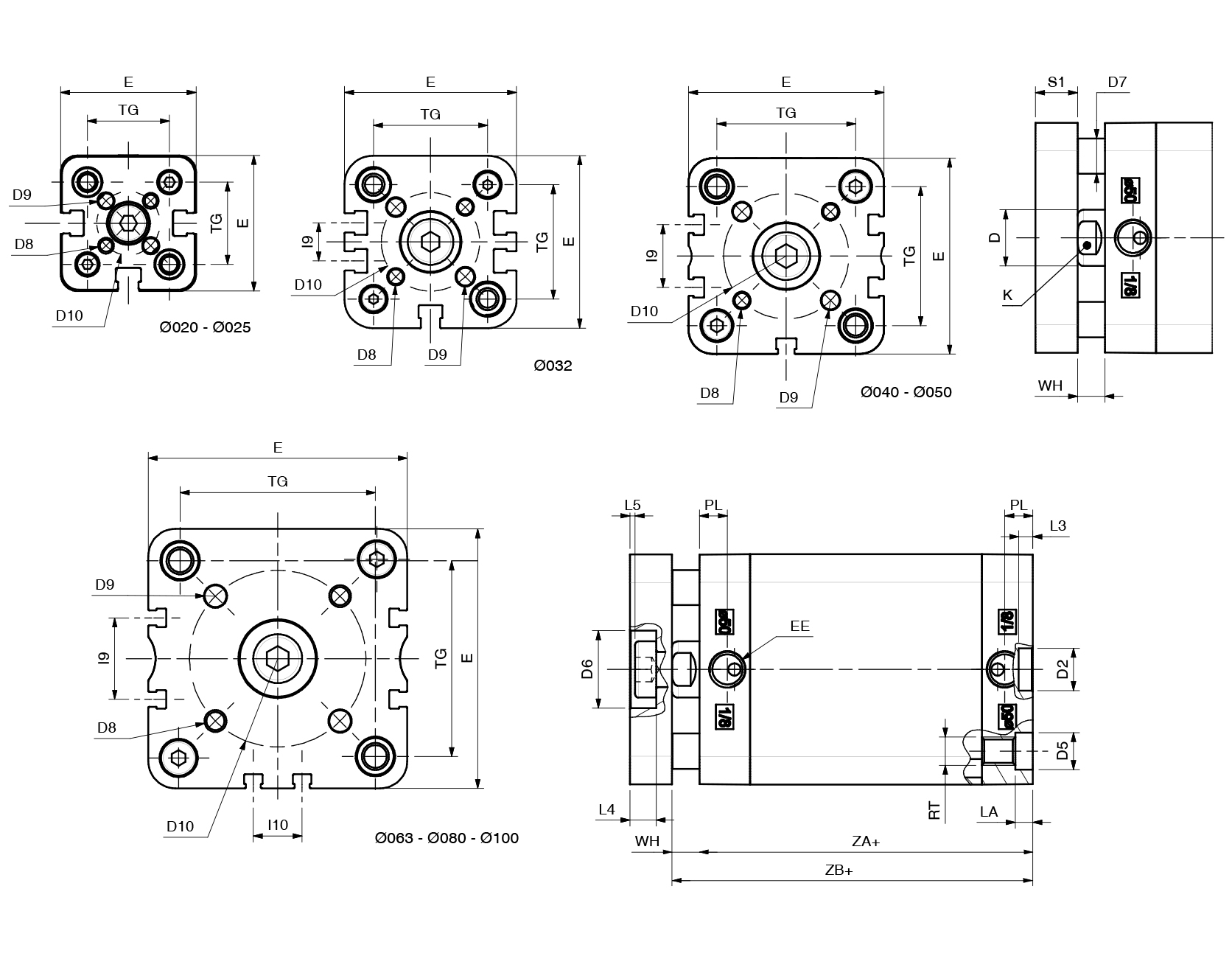
| Termék | Átmérő | Lökethossz | Csatlakozás | Dugattyúrúd menet | Dugattyúrúd átmérő | Tömítés anyaga |
|---|
| Típusszám | ZINT 20/… | ZINT 25/… | ZINT 32/… | ZINT 40/… | ZINT 50/… | ZINT 63/… | ZINT 80/… | ZINT 100/… |
|---|---|---|---|---|---|---|---|---|
| Ø | Ø20 | Ø25 | Ø32 | Ø40 | Ø50 | Ø63 | Ø80 | Ø100 |
| Ø D | 10 | 10 | 12 | 12 | 16 | 16 | 20 | 25 |
| Ø D2 | 9 | 9 | 9 | 9 | 12 | 12 | 12 | 12 |
| Ø D5 | 7,5 | 7,5 | 9 | 9 | 10,5 | 10,5 | 13,5 | 13,5 |
| Ø D6 | 11 | 14 | 17 | 17 | 22 | 22 | 28 | 30 |
| Ø D7 | 5 | 6 | 6 | 8 | 10 | 10 | 14 | 14 |
| D8 | M4 | M5 | M5 | M5 | M6 | M6 | M8 | M10 |
| Ø D9 | 4 | 5 | 5 | 5 | 6 | 6 | 8 | 10 |
| Ø D10 | 17 | 22 | 28 | 33 | 42 | 50 | 65 | 80 |
| E | 36 | 40 | 49 | 54,5 | 65,5 | 77 | 95,5 | 113,5 |
| EE | M5 | M5 | G1/8 | G1/8 | G1/8 | G1/8 | G1/8 | G1/8 |
| I9 | - | - | 10,8 | 12,8 | 21 | 25,8 | 30 | 50 |
| I10 | - | - | - | - | - | 13 | 18 | 35 |
| K | 8 | 8 | 10 | 10 | 13 | 13 | 17 | 22 |
| LA | 4,5 | 4,5 | 5 | 5 | 5 | 5 | 3 | 3 |
| L3 | 3 | 3 | 3 | 3 | 4 | 4 | 4 | 4 |
| L4 | 5 | 5 | 6,5 | 6,5 | 7,5 | 7,5 | 9 | 10 |
| L5 | 1 | 1 | 1,5 | 1,5 | 1,5 | 1,5 | 2 | 3 |
| PL | 7,5 | 7,5 | 7,5 | 8 | 8 | 7,5 | 8 | 10,5 |
| RT | M5 | M5 | M6 | M6 | M8 | M8 | M10 | M10 |
| S1 | 8 | 8 | 10 | 10 | 12 | 12 | 14 | 14 |
| TG | 22 | 26 | 32,5 | 38 | 46,5 | 56,5 | 72 | 89 |
| WH | 6,5 | 6 | 6,5 | 7 | 8 | 8 | 9 | 10 |
| ZA+löket | 37 | 39 | 44 | 45 | 45 | 49 | 54 | 67 |
| ZB+löket | 43,5 | 45 | 50,5 | 52 | 53 | 57 | 63 | 77 |
| Funkció: | kettős működésű |
|---|---|
| Átmérő: | Ø20 |
| Lökethossz: | 320 mm |
| Csatlakozás: | M5 |
| Hőmérséklet tartomány: | -20°C…+80°C |
| Dugattyúrúd anyaga: | keménykrómozott acél (CK45) |
| Dugattyú: | mágneses |
| Dugattyú anyaga: | alumínium |
| Dugattyúrúd menet: | elfordulás ellen védett |
| Dugattyúrúd átmérő: | Ø10 mm |
| Hengerfedelek anyaga: | eloxált alumínium |
| Hengertest anyaga: | eloxált alumínium |
| Húzóerő (6 bar): | 150 N |
| ISO szabvány: | ISO 21287 |
| Közeg: | sűrített levegő |
| Löketvég csillapítás: | rugalmas |
| Nyomóerő (6 bar): | 179 N |
| Tömítés anyaga: | NBR, PU (max. 80°C) |
| Vezetőpersely anyaga: | szinterbronz |
| Üzemi nyomás: | 1…10 bar |











