AB 32/25
 Körprofil henger 
Egyedi igények rögzítésére a rendelésösszesítő felületen van lehetőség
 AB 32/25 
 Körprofil henger 
 Kérjük regisztráljon a 3D modellek és termék adatlapok letöltéséhez. 
| Termék | Átmérő | Lökethossz | Csatlakozás | Dugattyúrúd menet | Dugattyúrúd átmérő | Tömítés anyaga | 
|---|
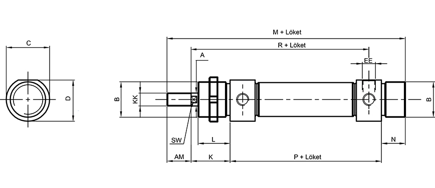
| Típusszám | Ø [mm] | A | B | C | D | K | L | M | N | P | R | AM | EE | KK | SW | 
|---|---|---|---|---|---|---|---|---|---|---|---|---|---|---|---|
| AB 32/... | Ø 32 | 12 | M 30 x 1,5 | 38 | 36,5 | 38 | 30 | 168 | 14 | 96 | 125 | 20 | G 1/8" | M 10 x 1,25 | 10 | 
| AB 40/... | Ø 40 | 16 | M 38 x 1,5 | 46 | 44 | 45 | 35 | 196 | 16 | 111 | 144 | 24 | G 1/4" | M 12 x 1,25 | 12 | 
| AB 50/... | Ø 50 | 20 | M 45 x 1,5 | 57 | 55 | 50 | 38 | 220 | 18 | 120 | 158 | 32 | G 1/4" | M 16 x 1,5 | 16 | 
| AB 63/... | Ø 63 | 20 | M 45 x 1,5 | 70 | 67,5 | 50 | 38 | 224 | 18 | 124 | 161 | 32 | G 3/8" | M 16 x 1,5 | 16 | 
| Funkció: | egyszeres | 
|---|---|
| Átmérő: | Ø32 | 
| Lökethossz: | 25 mm | 
| Csatlakozás: | G 1/8" | 
| Hőmérséklet tartomány: | -20°C…+80°C | 
| Dugattyúrúd anyaga: | rozsdamentes, saválló acél (AISI 316) | 
| Dugattyú: | mágneses | 
| Dugattyú anyaga: | eloxált alumínium | 
| Dugattyú rúd helyzete: | alaphelyzetben bent | 
| Dugattyúrúd menet: | M10 x 1,25 - külső menet | 
| Dugattyúrúd átmérő: | Ø12 mm | 
| Hengerfedelek anyaga: | eloxált alumínium | 
| Hengertest anyaga: | rozsdamentes acél | 
| Közeg: | sűrített levegő | 
| Löketvég csillapítás: | rugalmas | 
| Nyomóerő (6 bar): | 458 N | 
| Tömítés anyaga: | NBR, PU (max. 80°C) | 
| Vezetőpersely anyaga: | szinterbronz | 
| Üzemi nyomás: | 1…10 bar | 












