LAZ 100/80
LAZ henger késtolózárakhoz
Egyedi igények rögzítésére a rendelésösszesítő felületen van lehetőség
LAZ 100/80
LAZ henger késtolózárakhoz
Kérjük regisztráljon a 3D modellek és termék adatlapok letöltéséhez.
| Termék | Átmérő | Lökethossz | Csatlakozás | Dugattyúrúd menet | Tömítés anyaga |
|---|
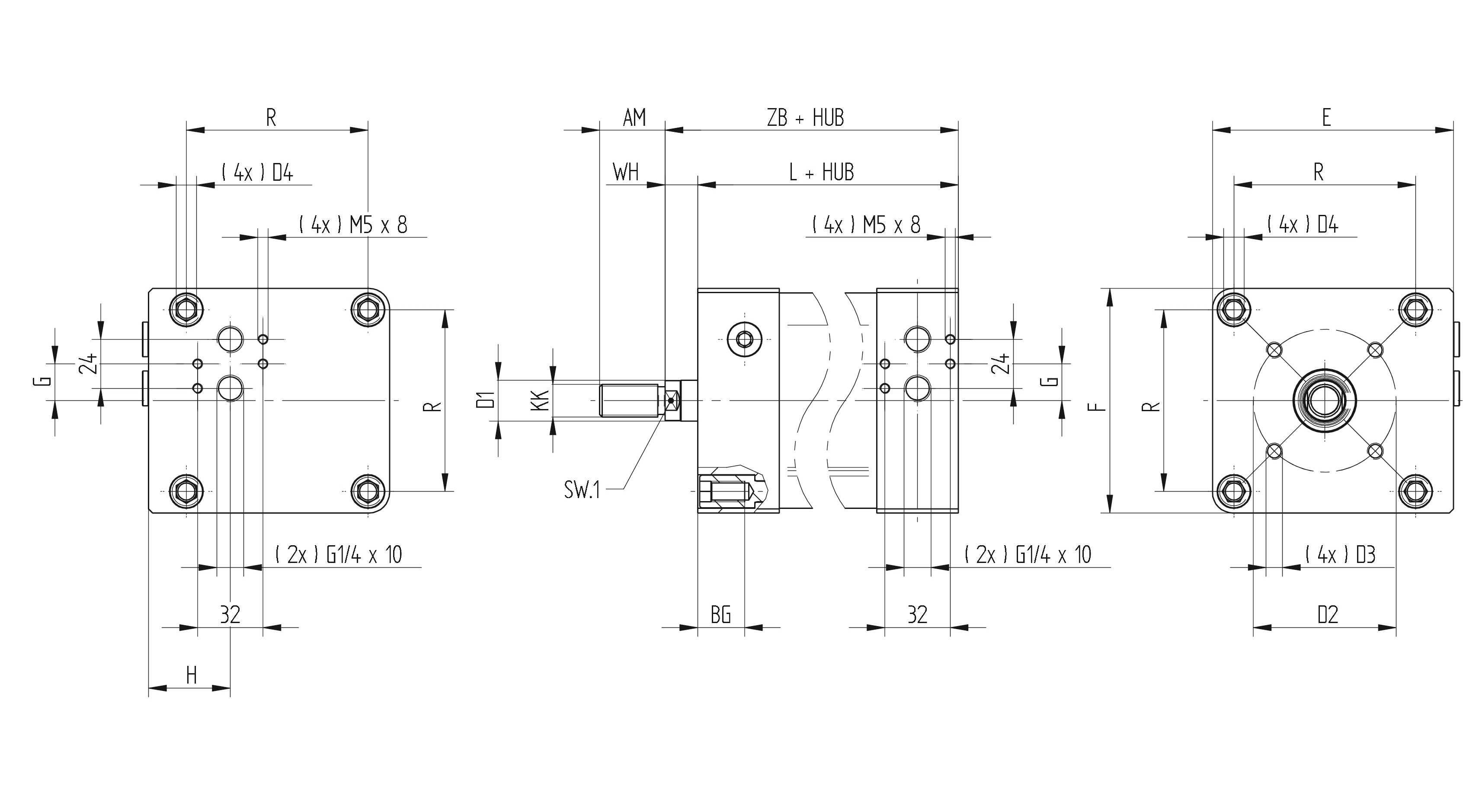
| Típusszám | Ø [mm] | AM | D1 | KK | SW.1 | D2 | D3 | D4 | BG | R | E | F | G | H | WH | L | ZB |
|---|---|---|---|---|---|---|---|---|---|---|---|---|---|---|---|---|---|
| LAZ 80/... | Ø 80 | 32 | Ø 20 | M16x1,5 | 17 | Ø 70 | M8x15 | M10 | 22 | 72 | 100 | 90 | 8 | 35 | 16 | 114 | 130 |
| LAZ 100/... | Ø 100 | 32 | Ø 20 | M16x1,5 | 17 | Ø 70 | M8x15 | M10 | 22 | 89 | 118 | 110 | 18 | 40 | 16 | 118 | 134 |
| LAZ 125/... | Ø 125 | 54 | Ø 32 | M27x2 | 27 | Ø 102 | M10x18 | M12 | 26 | 110 | 140 | 134 | 28 | 45 | 24 | 138 | 162 |
| LAZ 160/... | Ø 160 | 54 | Ø 32 | M27x2 | 27 | Ø 102 | M10x18 | M16 | 22 | 140 | 174 | 174 | 32 | 60 | 24 | 123 | 147 |
| Funkció: | kettős működésű |
|---|---|
| Átmérő: | Ø100 |
| Lökethossz: | 80 mm |
| Csatlakozás: | G 1/4" |
| Hőmérséklet tartomány: | -20°C…+80°C |
| Dugattyúrúd anyaga: | rozsdamentes acél (AISI 304) |
| Dugattyú: | mágneses |
| Dugattyú anyaga: | alumínium |
| Dugattyúrúd menet: | M16 x 1,5 - külső menet |
| Hengerfedelek anyaga: | eloxált alumínium |
| Hengertest anyaga: | eloxált alumínium |
| Húzóerő (6 bar): | 4195 N |
| Közeg: | sűrített levegő |
| Löketvég csillapítás: | rugalmas |
| Nyomóerő (6 bar): | 4475 N |
| Tömítés anyaga: | NBR, PU (max. 80°C) |
| Üzemi nyomás: | 1…10 bar |












